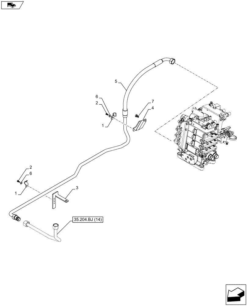
Запчасти Case IH FARMALL 115C (35.204.BJ[16]) - VAR - 390124 - STEERING LINE (35) - HYDRAULIC SYSTEMS

Схема запчастей Case IH FARMALL 115C - (35.204.BJ[16]) - VAR - 390124 - STEERING LINE (35) - HYDRAULIC SYSTEMS
6
2
6
2
4
1
1
35.204.bj (14)
5
home
7
3
FIT
1:1
100%

Артикул

Название

Примечание

Количество

1

5156414

CLAMP,20mm ID, 6.5mm Bolt Hole, J Type

2шт.

2

10902280

BOLT,Hex, M6 x 16mm

M16 x 16 x 2mm

2шт.

3

47393731

BRACKET

1шт.

4

47393721

BRACKET

1шт.

5

47393710

HYD TUBE

1шт.

6

12647621

WASHER,6.15mm ID x 16mm OD x 2mm Thk

2шт.

7

15540424

SCREW,Hex, M12 x 1.25 x 30mm, Cl 8.8, Full Thd

1шт.

Выбрано товаров: 7