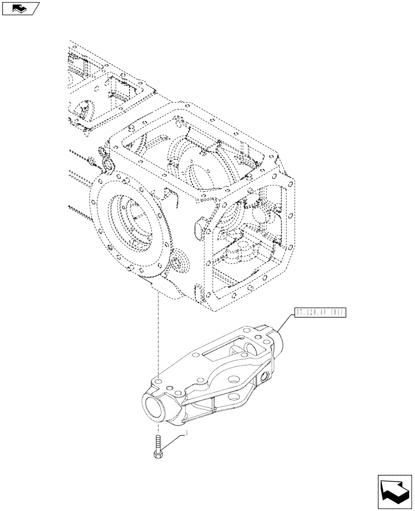
Запчасти Case IH FARMALL 115C (37.100.AF[01]) - VAR - 334196, 334197, 330928, 331928, 334198, 334201, 330897, 330897, 334202, 330772, 334203, 334208, 334194 - TOWING EQUIPMENT, BOLT (37) - HITCHES, DRAWBARS & IMPLEMENT COUPLINGS

Схема запчастей Case IH FARMALL 115C - (37.100.AF[01]) - VAR - 334196, 334197, 330928, 331928, 334198, 334201, 330897, 330897, 334202, 330772, 334203, 334208, 334194 - TOWING EQUIPMENT, BOLT (37) - HITCHES, DRAWBARS & IMPLEMENT COUPLINGS
1
37.120.av (01)
home
FIT
1:1
100%

Артикул

Название

Примечание

Количество

1

15864224

BOLT,Hex, M16 x 1.5 x 115mm, Cl 8.8

7шт.

Выбрано товаров: 0