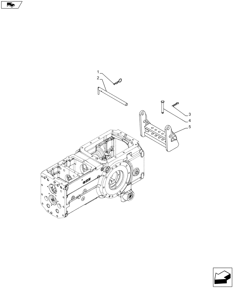
Запчасти Case IH FARMALL 115C (37.100.AK[02]) - VAR - 334202, 334203 - DRAWBAR FRAME (37) - HITCHES, DRAWBARS & IMPLEMENT COUPLINGS

Схема запчастей Case IH FARMALL 115C - (37.100.AK[02]) - VAR - 334202, 334203 - DRAWBAR FRAME (37) - HITCHES, DRAWBARS & IMPLEMENT COUPLINGS
3
1
home
4
5
2
FIT
1:1
100%

Артикул

Название

Примечание

Количество

1

44007661

COTTER PIN,33.2mm OD x 78mm L

2шт.

2

5117437

PIN,22mm OD x 325mm L

2шт.

3

82026318

COTTER PIN,1/8 x 2 5/16

2шт.

4

5181758

PIN,16mm OD x 119.5mm L

2шт.

5

5199439

SUPPORT

1шт.

Выбрано товаров: 5