Запчасти Case IH FARMALL 115C (37.106.AA[07]) - VAR - 330772, 334203 - TOWING EQUIPMENT (37) - HITCHES, DRAWBARS & IMPLEMENT COUPLINGS

Схема запчастей Case IH FARMALL 115C - (37.106.AA[07]) - VAR - 330772, 334203 - TOWING EQUIPMENT (37) - HITCHES, DRAWBARS & IMPLEMENT COUPLINGS
3
5
7
home
6
4
2
1
21.120.ab (01)
FIT
1:1
100%

Артикул

Название

Примечание

Количество

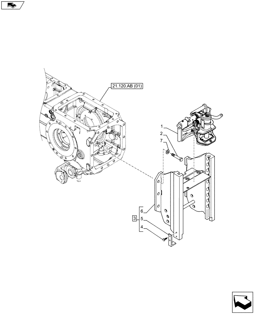
1

84343553

TOW HOOK

1шт.

2

15981834

BOLT,Hex, M16 x 1.5 x 120mm, Cl 10.9

6шт.

3

84489553

FRAME

ASSY, Incl 4 - 6

1шт.

4

15970524

BOLT,Hex, M10 x 1.25 x 20mm, Cl 8.8, Full Thd

4шт.

5

5199462

BRACKET

2шт.

6

NSS

NOT SOLD SEPARAT

Support Incl in 3

1шт.

7

11194274

BELLEVILLE WASHER,M16 Bolt Size x 32mm OD x 3.4mm Thk

6шт.

Выбрано товаров: 7