Запчасти Case IH FARMALL 115C (37.108.AE[02]) - VAR - 743595, 743596 - HYDRAULIC LIFT, CONTROL LEVER (37) - HITCHES, DRAWBARS & IMPLEMENT COUPLINGS

Схема запчастей Case IH FARMALL 115C - (37.108.AE[02]) - VAR - 743595, 743596 - HYDRAULIC LIFT, CONTROL LEVER (37) - HITCHES, DRAWBARS & IMPLEMENT COUPLINGS
home
10
12
2
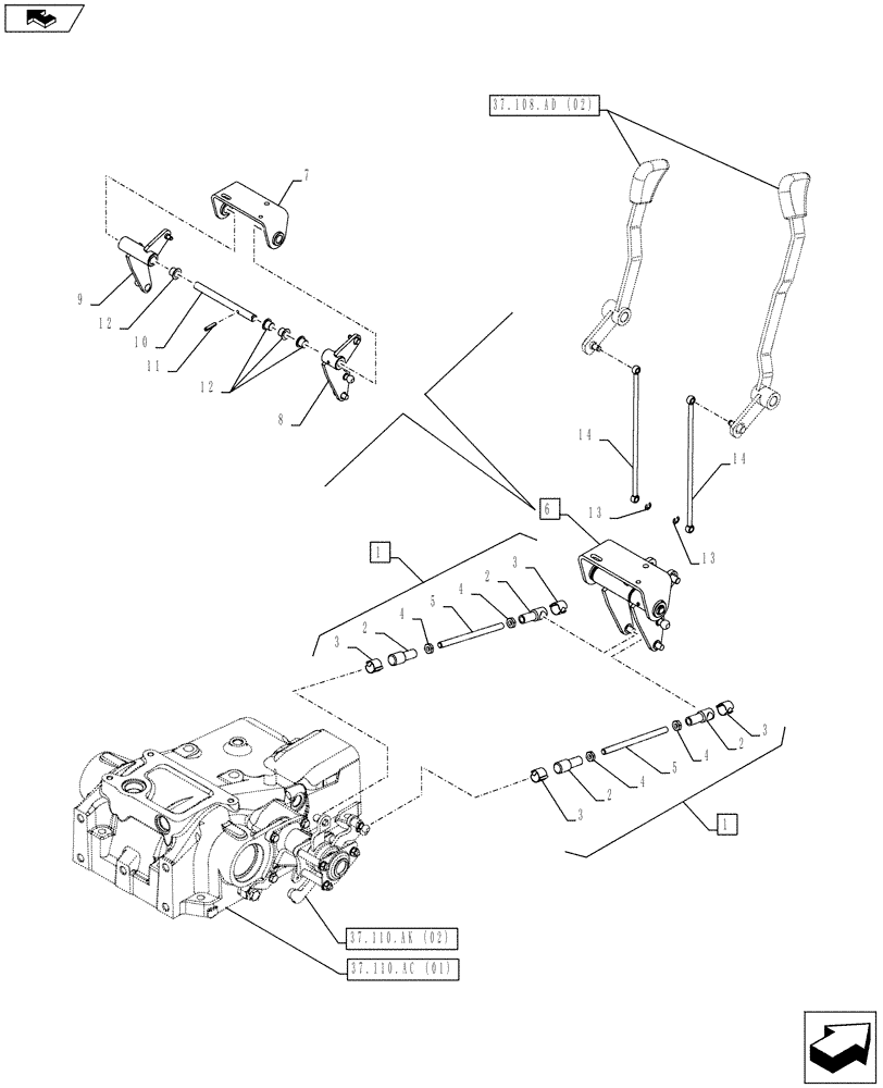
1
1
7
9
13
4
4
37.110.ac (01)
2
8
3
3
5
6
3
12
5
4
3
14
11
2
2
13
4
14
37.110.ak (02)
37.108.ad (02)
FIT
1:1
100%

Артикул

Название

Примечание

Количество

1

47384394

TIE-ROD,8" x 6-3/5"

ASSY, Incl 2 - 5

2шт.

2

10124511

BALL JOINT HEAD,M13 x 45mm L, M8 Thread

2шт.

3

10125574

CLAMP,13mm

2шт.

4

16102311

THIN NUT,Thin, M8 x 1.25, Cl 04

2шт.

5

47401522

TIE-ROD

1шт.

6

47423246

SUPPORT

ASSY, Incl 7 - 12

1шт.

7

47401479

SUPPORT

1шт.

8

47384385

LEVER

1шт.

9

47423245

LEVER

1шт.

10

47401517

CONTROL SHAFT

1шт.

11

14166170

ROLL PIN

1шт.

12

47401492

BUSHING,12mm ID x 14mm OD x 12mm L

4шт.

13

11087674

WASHER,4mm, CST DAC

2шт.

14

47384393

TIE-ROD

2шт.

Выбрано товаров: 14