Запчасти Case IH FARMALL 115C (37.110.AM[03]) - VAR - 743595, 743596 - HYDRAULIC LIFT, INTERNAL CONTROLS (37) - HITCHES, DRAWBARS & IMPLEMENT COUPLINGS

Схема запчастей Case IH FARMALL 115C - (37.110.AM[03]) - VAR - 743595, 743596 - HYDRAULIC LIFT, INTERNAL CONTROLS (37) - HITCHES, DRAWBARS & IMPLEMENT COUPLINGS
14
13
8
9
8
8
10.ak (02)
1
12
home
10
10.am (04)
15
4
10.ac (01)
37.
37.
6
1
16
1
37.
9
3
17
37.
10.ak (02)
8
11
1
5
1
7
8
2
FIT
1:1
100%

Артикул

Название

Примечание

Количество

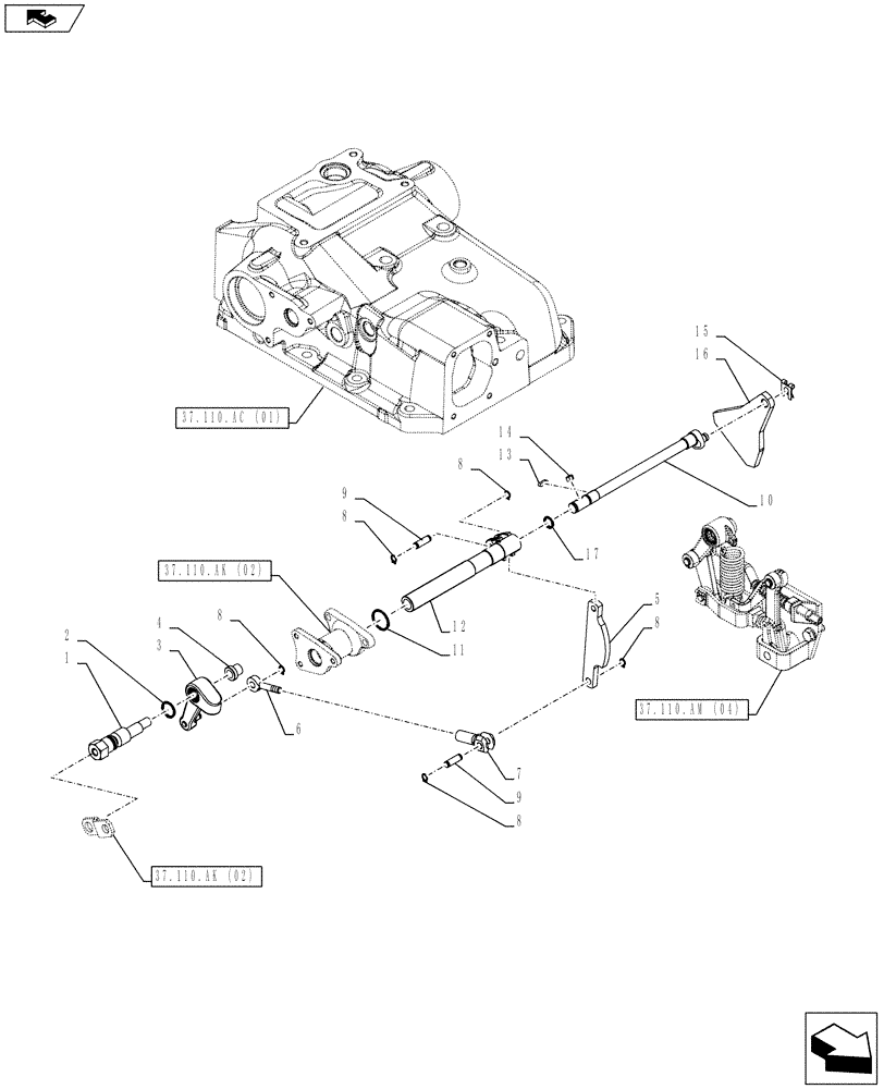
1

5135221

PIN

1шт.

2

14457280

O-RING,0.103" Thk x 0.612" ID, -114, Cl 5, 75 Duro

1шт.

3

5193911

LEVER

1шт.

4

5135219

SPACER,11.02mm ID x 19mm OD x 17mm L

1шт.

5

5122497

LEVER

1шт.

6

5136355

TIE-ROD,M8 x 1, 48mm L

1шт.

7

5173352

CLEVIS,M8 x 1

1шт.

8

11065676

SNAP RING,M8, Ext

2шт.

9

5113008

PIN,8mm OD x 26mm L

2шт.

10

5166616

SPINDLE,242.5mm L

1шт.

11

14457680

O-RING,0.103" Thk x 0.862" ID, -118, Cl 5, 75 Duro

1шт.

12

5166617

SHAFT

1шт.

13

10617610

KEY,5mm x 5mm x 10mm

1шт.

14

14721010

KEY,4mm x 4mm x 14mm

1шт.

15

11064176

CLIP,M10 x 8mm

1шт.

16

5117143

LEVER

1шт.

17

14453080

O-RING,0.426" ID x 0.07"

1шт.

Выбрано товаров: 17