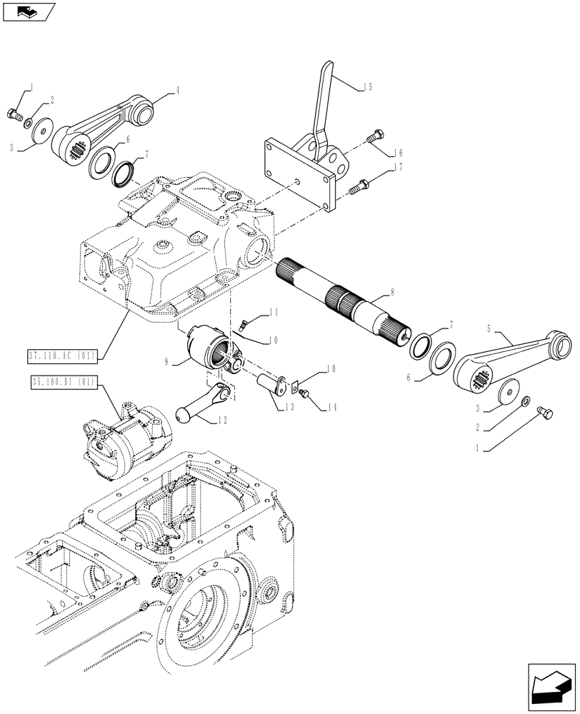
Запчасти Case IH FARMALL 115C (37.110.AQ[01]) - VAR - 390831 - HYDRAULIC LIFT, LIFT ARM (37) - HITCHES, DRAWBARS & IMPLEMENT COUPLINGS

Схема запчастей Case IH FARMALL 115C - (37.110.AQ[01]) - VAR - 390831 - HYDRAULIC LIFT, LIFT ARM (37) - HITCHES, DRAWBARS & IMPLEMENT COUPLINGS
1
3
9
16
17
5
home
7
15
6
37.110.ac (01)
4
10
1
13
6
8
11
2
14
7
35.100.bi (01)
10
12
3
2
FIT
1:1
100%

Артикул

Название

Примечание

Количество

1

11422324

BOLT,Hex, M14 x 1.5 x 30mm, Cl 8.8

2шт.

2

11194174

BELLEVILLE WASHER,M14 Bolt Size x 27mm OD x 3mm Thk

2шт.

3

5122898

WASHER,15mm ID x 70mm OD x 7mm Thk

2шт.

4

5171471

LIFT ARM

RH

1шт.

5

5123957

LIFT ARM

LH

1шт.

6

5111082

SPACER,55mm ID x 90mm OD x 6mm L

2шт.

7

5159078

SEAL,55mm ID x 70mm OD x 8mm Thk

2шт.

8

5117187

ROCKSHAFT,488mm L, 48T, 42T

1шт.

9

5165510

ARM

1шт.

10

14198810

LOCKING PLATE,M10

2шт.

11

5117190

SET SCREW,M10 x 1.25 x 23mm

1шт.

12

5121221

PISTON ROD,30mm OD x 174mm L

1шт.

13

5122356

PIN,30mm OD x 74mm L

1шт.

14

15970324

SCREW,Hex, M10 x 1.25 x 16mm, Cl 8.8, Full Thd

1шт.

15

47396609

SUPPORT

1шт.

16

11408334

BOLT,Hex, M14 x 1.5 x 35, 10.9, Full Thd

1шт.

17

11394324

BOLT,Hex, M14 x 45, 8.8, Full Thd

4шт.

Выбрано товаров: 17