Запчасти Case IH FARMALL 115C (39.140.AF[08]) - VAR - 336215 - FRONT WEIGHT CARRIER, BALLAST (6X40KG) (39) - FRAMES AND BALLASTING

Схема запчастей Case IH FARMALL 115C - (39.140.AF[08]) - VAR - 336215 - FRONT WEIGHT CARRIER, BALLAST (6X40KG) (39) - FRAMES AND BALLASTING
4
6
11
8
13
home
1
12
14
3
3
10
15
5
7
9
2
15
FIT
1:1
100%

Артикул

Название

Примечание

Количество

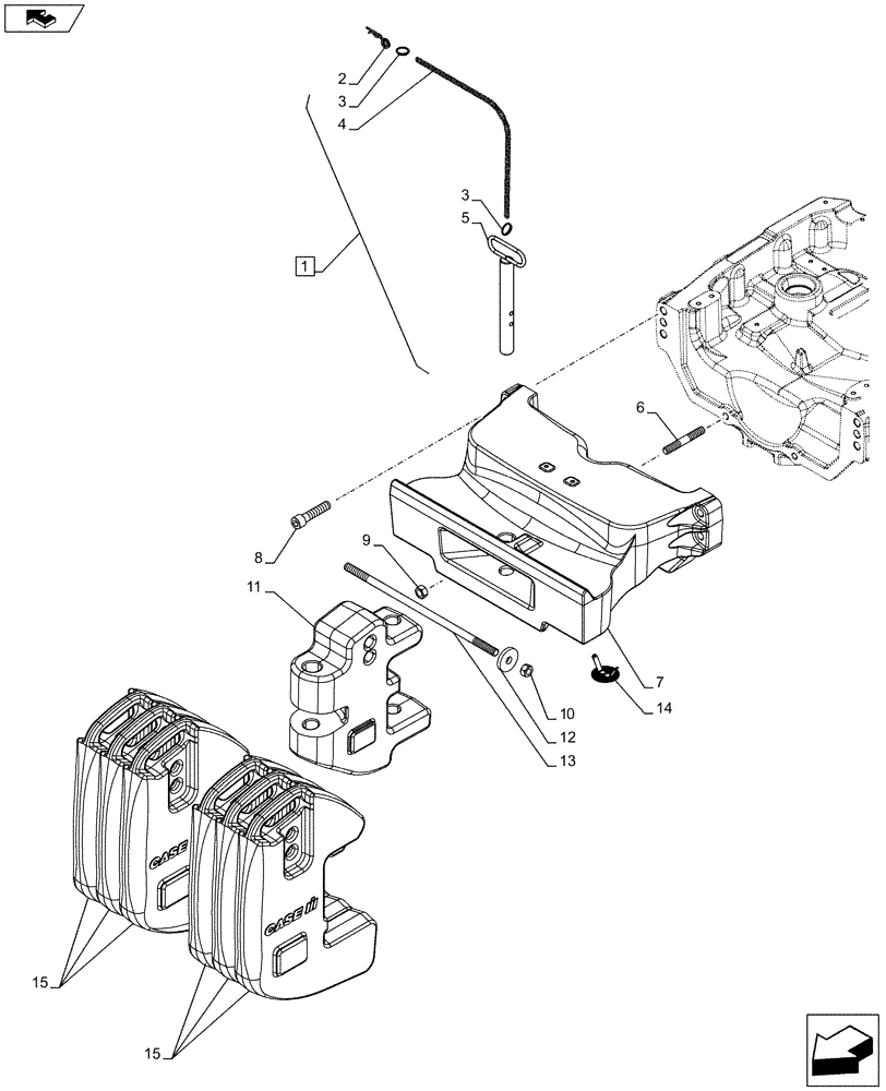
1

47132417

PIN,3.6mm OD x 64mm L

ASSY, Incl 2 - 5

2шт.

2

44901190

COTTER PIN,6.3mm x 77.6mm L

2шт.

3

44901192

SNAP RING,25mm ID

4шт.

4

NSS

NOT SOLD SEPARAT

Chain, Incl in 1

1шт.

5

NSS

NOT SOLD SEPARAT

Pin , Incl in 1

2шт.

6

84149586

STUD,M16 x 85mm L

M16 x 2 x 115

2шт.

7

84313805

FRONT WEIGHT CARRIER,60 Kg

1шт.

8

14844834

SCREW,M18 x 1.5 x 80mm, Cl 10.9

M18 x 1.5 x 80

4шт.

9

392530

NUT,M16, Cl 10

2шт.

10

392530

NUT,M16, Cl 10

2шт.

11

87325015

WEIGHT,75Kg/165Lb

1шт.

12

44018768

WASHER,17mm ID x 55mm OD x 8mm Thk

2шт.

13

84479192

THREADED ROD,M16 x 2 x 507mm L

1шт.

14

5120218

GRILLE

1шт.

15

47056220

WEIGHT,40Kg/88Lb

6шт.

Выбрано товаров: 15