Запчасти Case IH FARMALL 115C (50.100.AQ[04]) - VAR - 334183, 334184, 334211, 334212, 743573, 743556, 391606, 744588 - HEATING SYSTEM, HOSE (W/ AIR CONDITIONING) (50) - CAB CLIMATE CONTROL

Схема запчастей Case IH FARMALL 115C - (50.100.AQ[04]) - VAR - 334183, 334184, 334211, 334212, 743573, 743556, 391606, 744588 - HEATING SYSTEM, HOSE (W/ AIR CONDITIONING) (50) - CAB CLIMATE CONTROL
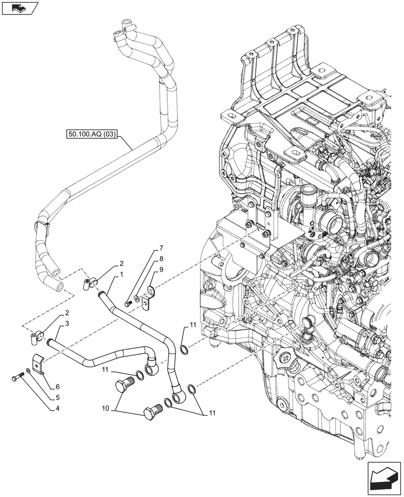
50.100.aq (03)
9
1
4
2
7
3
11
5
2
1
8
6
10
1
home
11
FIT
1:1
100%

Артикул

Название

Примечание

Количество

1

84588407

HEATER HOSE

1шт.

2

13000390

HOSE CLAMP,16mm - 25mm, Worm Gear

2шт.

3

84588412

TUBE

1шт.

4

10902874

BOLT,Hex, M6 x 30mm, Cl 12.9

1шт.

5

12601274

WAVE WASHER,6.40mm ID x 12mm OD x 0.50mm, 2.60mm H, STL, DAC

1шт.

6

87588821

BRACKET

1шт.

7

10902024

SCREW,Hex, M6 x 12mm, Cl 8.8

1шт.

8

14498804

WASHER,6.4mm ID x 16.3mm OD x 1mm Thk

1шт.

9

84589247

BRACKET

1шт.

10

5100984

BANJO BOLT,M18 x 1.5, 34mm L

2шт.

11

10259960

SEAL,Rectangular, 18.30mm ID x 24.00mm OD x 1.50mm, Copper

4шт.

Выбрано товаров: 11