Запчасти Case IH FARMALL 115C (55.047.AD) - VAR - 330581 - PRESSURE SWITCH, STEEL FLIGHT, STEERING (55) - ELECTRICAL SYSTEMS

Схема запчастей Case IH FARMALL 115C - (55.047.AD) - VAR - 330581 - PRESSURE SWITCH, STEEL FLIGHT, STEERING (55) - ELECTRICAL SYSTEMS
35.220.ae
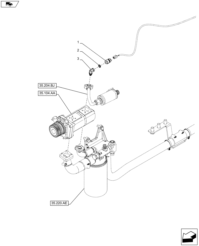
1
35.104.a
2
home
a
3
35.204.bj
FIT
1:1
100%

Артикул

Название

Примечание

Количество

1

87494632

PRESSURE SWITCH,M12 x 1.5

Oil Pressure

1шт.

2

5183780

SEALING WASHER,9.73mm ID x 18mm OD x 1.5mm Thk

1шт.

3

87537887

90 ELBOW

1шт.

Выбрано товаров: 3