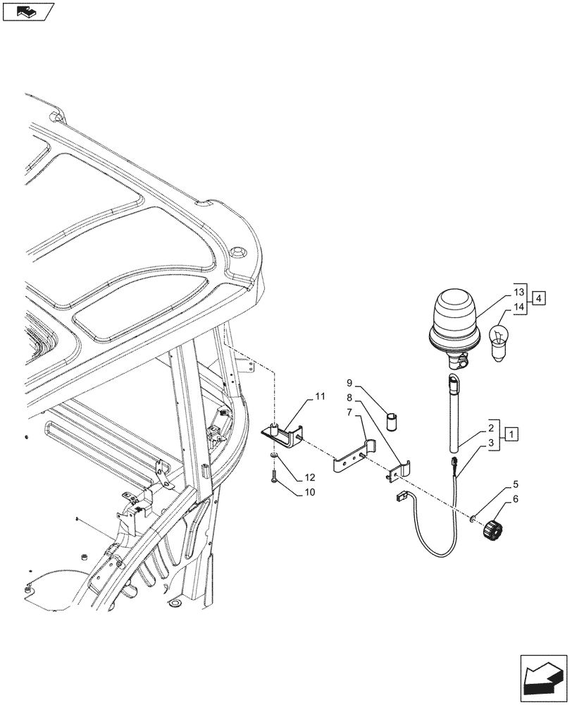
Запчасти Case IH FARMALL 115C (55.404.AC[01]) - VAR - 743586 - ROTARY BEACON, W/ CAB - ISO (55) - ELECTRICAL SYSTEMS

Схема запчастей Case IH FARMALL 115C - (55.404.AC[01]) - VAR - 743586 - ROTARY BEACON, W/ CAB - ISO (55) - ELECTRICAL SYSTEMS
3
10
7
13
11
5
4
home
6
8
14
9
12
1
2
FIT
1:1
100%

Артикул

Название

Примечание

Количество

1

84592146

WIRE HARNESS

Assy, Incl 2, 3

1шт.

2

82027653

SUPPORT

1шт.

3

84591874

WIRE HARNESS

1шт.

4

87723255

BEACON,12V, 55W, Amber

Assy, Incl 13, 14

1шт.

5

14496504

WASHER,8.4mm ID x 17mm OD x 1.6mm Thk

2шт.

6

82016257

KNOB

2шт.

7

84343028

BRACKET

1шт.

8

82028975

BRACKET

1шт.

9

82028965

SLEEVE,24mm ID x 28mm OD x 41.0mm L

1шт.

10

14302226

SCREW

1шт.

11

84343080

BRACKET

1шт.

12

12601374

WAVE WASHER,Wave, 8.40mm ID x 15.00mm OD x 0.80mm, 3.00mm, CST, DAC

1шт.

13

NSS

NOT SOLD SEPARAT

Body Lamp, Incl in 4

1шт.

14

86616248

BULB,H1, 12V, 55W

1шт.

Выбрано товаров: 14