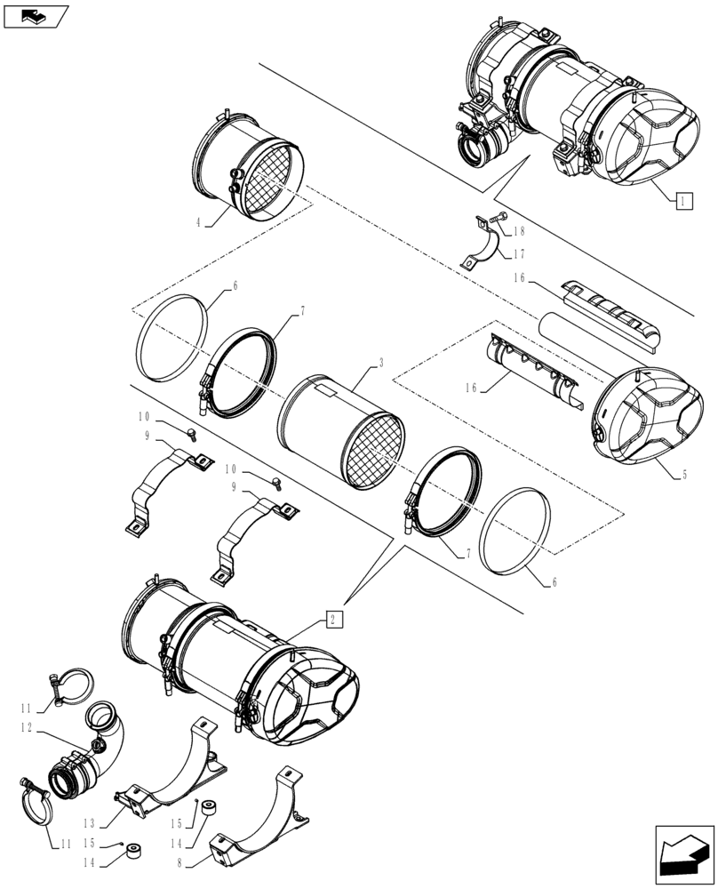
Запчасти Case IH FARMALL 115C (10.254.AI[02]) - VAR - 390199, 391151, 743544, 743545 - MUFFLER, FILTER, COMPONENTS (10) - ENGINE

Схема запчастей Case IH FARMALL 115C - (10.254.AI[02]) - VAR - 390199, 391151, 743544, 743545 - MUFFLER, FILTER, COMPONENTS (10) - ENGINE
4
15
9
hom
18
2
9
6
13
12
e
3
11
8
10
14
11
5
16
16
10
7
14
1
17
15
6
7
FIT
1:1
100%

Артикул

Название

Примечание

Количество

1

84475388

MUFFLER

ASSY, Incl 2-18

1шт.

2

NSS

NOT SOLD SEPARAT

Filter, Incl in 1

1шт.

Order P/N 3 - 7, 16 - 18

1шт.

3

84413370

FILTER PARTICULATE

1шт.

3

84413370R

REMAN-FLTR PARTICUL.

1шт.

3

84413370C

CORE-FLTR PARTICUL.

Return Number

1шт.

4

NSS

NOT SOLD SEPARAT

DOC (Diesel Oxidation Catalyst) Module, Incl in 1

1шт.

5

84413371

FILTER COVER

1шт.

6

84413372

GASKET

2шт.

7

84413374

CLAMP,M6 x 1mm

2шт.

8

84480645

BRACKET

LH

1шт.

9

84480649

RETAINER COLLAR

2шт.

10

16287224

BOLT,Hex, M8 x 1.25 x 25mm, Cl 8.8, Full Thd

4шт.

11

84347394

COLLAR CLAMP,63.5mm - 70mm

2шт.

12

84553246

EXHAUST SYSTEM PIPE

1шт.

13

84554552

BRACKET

RH

1шт.

14

84554911

THREADED BUSHING,M30 x 1.5 x 20mm L

2шт.

15

13804421

SET SCREW,Hex Skt, M5 x 6mm, Flat Pt

2шт.

16

47439483

INSULATION

1шт.

17

47439485

COLLAR

1шт.

18

9671714

FLANGE BOLT,Hex, M8 x 1.25 x 25mm, Cl 8.8

2шт.

Выбрано товаров: 0