Запчасти Case IH FARMALL 115C (21.120.AB[03]) - VAR - 391069 - GEARBOX, HI-LO, W/O CAB (21) - TRANSMISSION

Схема запчастей Case IH FARMALL 115C - (21.120.AB[03]) - VAR - 391069 - GEARBOX, HI-LO, W/O CAB (21) - TRANSMISSION
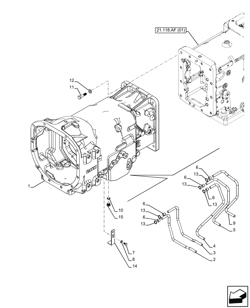
21.118.af (01)
6
6
12
3
11
13
6
1
10
13
7
14
13
6
15
9
13
5
13
4
6
2
8
FIT
1:1
100%

Артикул

Название

Примечание

Количество

1

47390777

GEARBOX

1шт.

2

84339690

TUBE

Power Shuttle HI

1шт.

3

84339691

TUBE

Power Shuttle LOW

1шт.

4

84339692

PIPE

Power Shuttle Lubrification

1шт.

5

84339693

TUBE

Power Shuttle FWD

1шт.

6

5178778

SPACER,11mm ID x 15mm OD x 15mm L

5шт.

7

16043224

BOLT,Hex, M8 x 16mm, Cl 8.8

2шт.

8

11193874

BELLEVILLE WASHER,M8 Bolt Size x 16mm OD x 1.4mm Thk

2шт.

9

84339694

TUBE

Power Shuttle REW

1шт.

10

14437885

O-RING,13.30mm ID x 2.40mm

1шт.

11

15540834

BOLT,Hex, M12 x 1.25 x 50mm, Cl 10.9

M12 x 1.25 x 50

10шт.

12

11198674

BELLEVILLE WASHER,M12 Bolt Size x 24mm OD x 3.2mm Thk

10шт.

13

14457281

O-RING,0.612" ID x 0.103" Width

5шт.

14

84384970

BRACKET

1шт.

15

10119340

PLUG,M16 x 1.5 x 15, Brass

1шт.

Выбрано товаров: 15