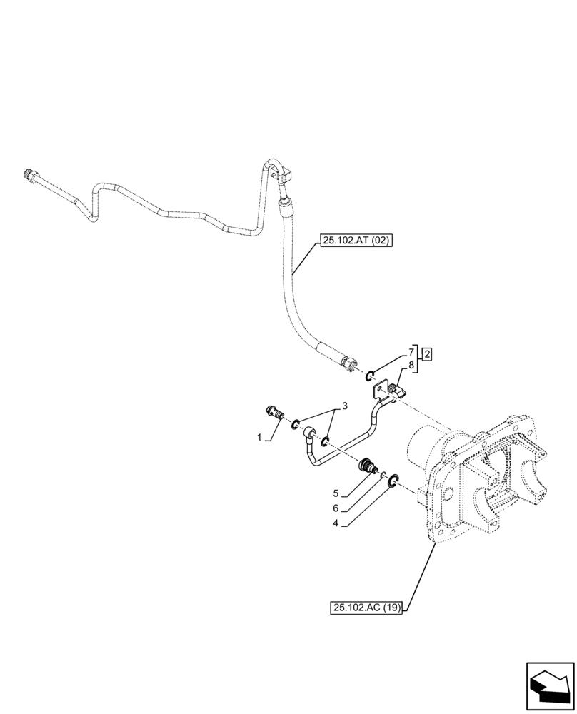
Запчасти Case IH FARMALL 115C (25.102.AT[07]) - VAR - 337323 - DIFFERENTIAL LOCK, CONTROLS, LINE, 4WD, HEAVY DUTY (25) - FRONT AXLE SYSTEM

Схема запчастей Case IH FARMALL 115C - (25.102.AT[07]) - VAR - 337323 - DIFFERENTIAL LOCK, CONTROLS, LINE, 4WD, HEAVY DUTY (25) - FRONT AXLE SYSTEM
1
3
8
6
7
25.102.ac (19)
4
2
25.102.at (02)
5
FIT
1:1
100%

Артикул

Название

Примечание

Количество

1

87736840

BOLT,M14 x 1.5 x 30mm

M14 x 1.5 x 30

1шт.

2

84384169

TUBE

Differential Lock, ASSY, Incl 7, 8

1шт.

3

87391188

SEAL,14mm ID x 22mm OD x 1.5mm Thk

2шт.

4

87332142

SEAL,23.5mm ID x 30mm OD x 1.5mm Thk

M22

1шт.

5

5167725

HYD CONNECTOR,M14/22 x 1.5 x 38mm L

1шт.

6

81844608

O-RING,11.10mm ID x 1.78mm

1шт.

7

9992298

O-RING,0.07" Thk x 0.489" ID, -14, Cl 6, 90 Duro

1шт.

8

NSS

NOT SOLD SEPARAT

Pipe, Incl in 2

1шт.

Выбрано товаров: 8