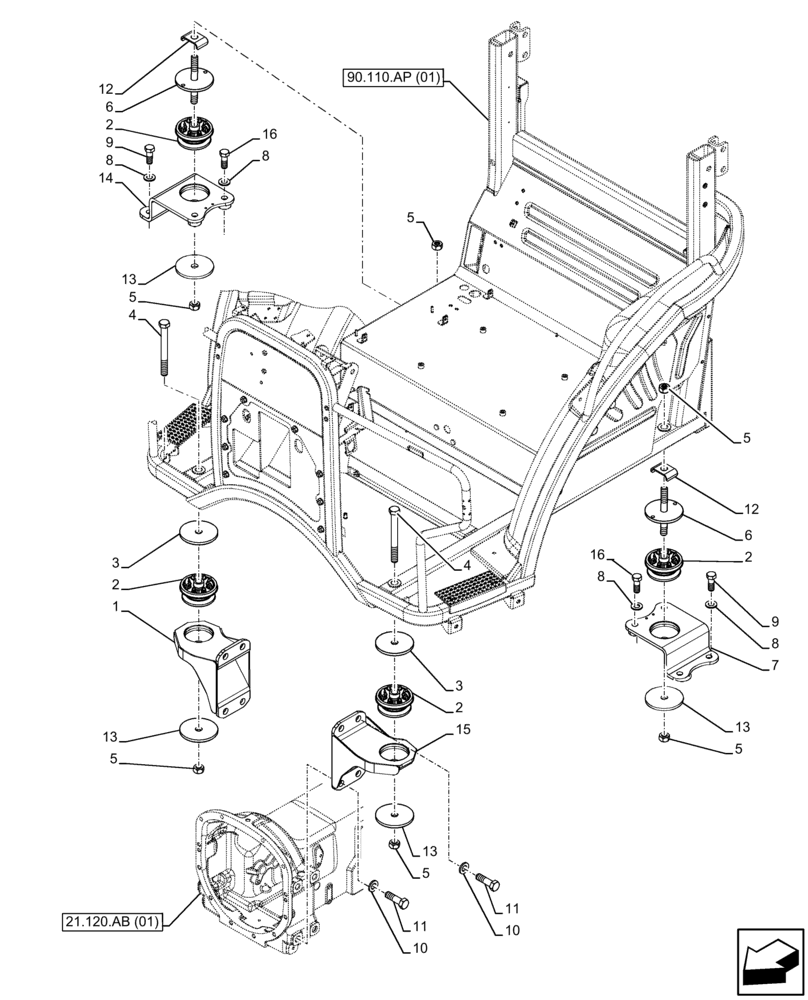
Запчасти Case IH FARMALL 115C (90.118.CC) - VAR - 334187, 334190, 392315 - PLATFORM, SUPPORT, W/O CAB (90) - PLATFORM, CAB, BODYWORK AND DECALS

Схема запчастей Case IH FARMALL 115C - (90.118.CC) - VAR - 334187, 334190, 392315 - PLATFORM, SUPPORT, W/O CAB (90) - PLATFORM, CAB, BODYWORK AND DECALS
14
10
13
5
4
2
15
11
16
10
7
13
13
5
12
5
2
8
8
3
12
3
9
5
16
2
11
8
6
90.110.ap (01)
8
13
1
5
4
2
9
21.120.ab (01)
6
5
FIT
1:1
100%

Артикул

Название

Примечание

Количество

1

84356425

SUPPORT

RH, Platform, Front

1шт.

2

83983548

ISOLATOR,120mm OD x 64mm L

4шт.

3

84421169

SPACER,21mm ID x 120mm OD x 14.7mm L

120mm OD x 21mm ID x 14.7mm Thk

2шт.

4

15990931

BOLT,Hex, M20 x 1.5 x 190, 10.9

2шт.

5

86015195

NUT,M20 x 1.5, Cl 10

6шт.

6

84355204

SPACER

2шт.

7

47364727

SUPPORT

LH, Platform, Rear

1шт.

8

11191674

BELLEVILLE WASHER,M18 Bolt Size x 36mm OD x 4.2mm Thk

8шт.

9

15984334

BOLT,Hex, M18 x 1.5 x 50mm, Cl 10.9, Full Thd

4шт.

10

11191774

BELLEVILLE WASHER,M20 Bolt Size x 38mm OD x 4.6mm Thk

8шт.

11

11125131

BOLT,Hex, M20 x 70, 10.9

8шт.

12

47358175

BRACKET

2шт.

13

87302042

SPACER,21mm ID x 120mm OD x 8.7mm L

120mm OD x 21mm ID x 8.7mm Thk

4шт.

14

47364732

SUPPORT

RH, Platform, Rear

1шт.

15

84356423

SUPPORT

LH, Platform, Front

1шт.

16

15984634

BOLT,Hex, M18 x 1.5 x 70mm, Cl 10.9

4шт.

Выбрано товаров: 16