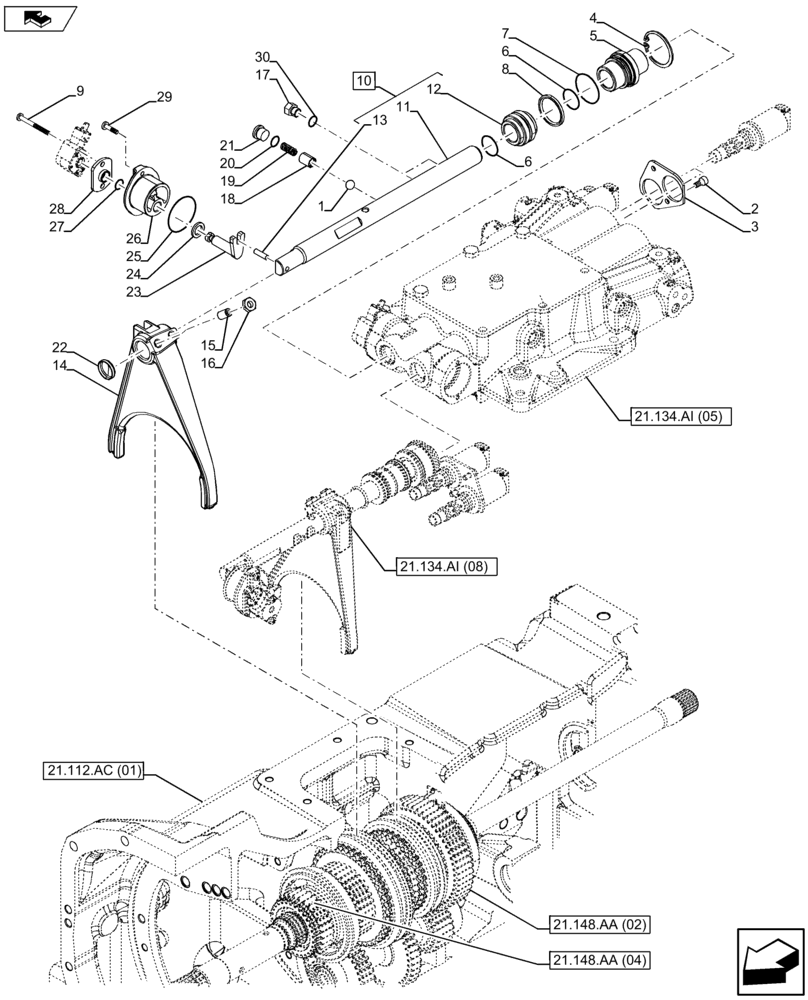
Запчасти Case IH FARMALL 115U (21.134.AI[07]) - VAR - 334115, 334117 - GEARSHIFT, CONTROLS (21) - TRANSMISSION

Схема запчастей Case IH FARMALL 115U - (21.134.AI[07]) - VAR - 334115, 334117 - GEARSHIFT, CONTROLS (21) - TRANSMISSION
13
18
home
9
21.148.aa (02)
30
20
8
25
26
2
21.112.ac (01)
10
21.148.aa (04)
21.134.ai (08)
21
4
5
21.134.ai (05)
6
19
14
6
23
7
1
16
22
15
27
29
24
3
17
11
12
28
FIT
1:1
100%

Артикул

Название

Примечание

Количество

1

88210005

BALL,10mm OD

1шт.

2

14305124

HEX SOC SCREW,M6 x 12mm, Cl 8.8, Full Thd

2шт.

3

82022595

BRACKET

1шт.

4

11060276

SNAP RING,M47, Int

1шт.

5

5199732

PLUG

1шт.

6

81902618

O-RING,0.139" Thk x 0.921" ID, -213, Cl 5, 75 Duro

2шт.

7

14458680

O-RING,0.103" Thk x 1.487" ID, -128, Cl 5, 75 Duro

1шт.

8

5175009

SEALING RING,34.55mm ID x 42.02mm OD x 3.2mm Thk

1шт.

9

87673580

SCREW,Phil Pan Hd, M5 x 50mm, Cl 8.8, w/ Chem Lock

2шт.

10

5199730

ROD

ASSY, Incl 11 - 13

1шт.

11

NSS

NOT SOLD SEPARAT

Rod, Incl in 10

1шт.

12

82015192

PISTON

1шт.

13

82015193

PIN

1шт.

14

82007504

SHIFTER FORK

1шт.

15

82895780

SET SCREW,less Hex Socket, M10 x 20mm

2шт.

16

82895198

NUT,Jam, Hex, M10, 5mm High, CL 04

2шт.

17

9672438

PLUG,7/16" - 20 ORB

2шт.

18

81864220

PLUNGER

1шт.

19

83407013

SPRING

1шт.

20

81845037

O-RING,0.078" Thk x 0.468" ID, -906, Cl 6, 90 Duro

1шт.

21

9625178

PLUG,9/16" - 18 ORB

1шт.

22

83417039

PLUG

1шт.

23

5178335

SHAFT,12mm OD x 48.5mm L

1шт.

24

14499601

WASHER,13mm ID x 20mm OD x 2.5mm Thk

1шт.

25

14464280

O-RING,0.139" Thk x 1.734" ID, -224, Cl 5, 75 Duro

1шт.

26

47135914

HOUSING

1шт.

27

14456980

O-RING,10.77mm ID x 2.62mm

1шт.

28

5178541

PLATE

1шт.

29

13274421

SCREW,Pozidriv Pan Hd, M5 x 20mm, Cl 8.8

1шт.

30

165202

O-RING,0.072" Thk x 0.351" ID, -904, Cl 6, 90 Duro

2шт.

Выбрано товаров: 30