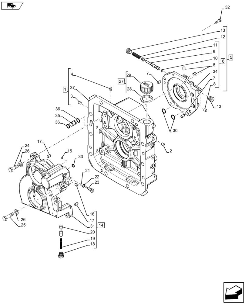
Запчасти Case IH FARMALL 115U (31.114.AH[01]) - VAR - 330801, 331729, 391727, 390433 - PTO, SHIELD (31) - IMPLEMENT POWER TAKE OFF

Схема запчастей Case IH FARMALL 115U - (31.114.AH[01]) - VAR - 330801, 331729, 391727, 390433 - PTO, SHIELD (31) - IMPLEMENT POWER TAKE OFF
19
34
10
22
33
24
home
21
30
15
29
35
1
14
2
7
7
13
36
26
16
11
13
8
12
25
8
9
17
3
20
36
23
32
home
28
4
37
26
17
27
5
31
6
18
FIT
1:1
100%

Артикул

Название

Примечание

Количество

1

47404218

COVER

ASSY, Incl 2 - 4, 37

1шт.

2

14536590

PLUG,10.00mm Dia x 19.80mm L

1шт.

3

14536290

PLUG,6mm

1шт.

4

14324014

PLUG

1шт.

5

84572495

COVER

ASSY, Incl 6, 12, 13

1шт.

6

84572480

COVER ASSY

Incl 7 - 11, 34

1шт.

7

10839710

DOWEL,M10 x 15.00mm

2шт.

8

14536590

PLUG,10.00mm Dia x 19.80mm L

5шт.

9

82990923

VALVE,12.001mm/12.005mm OD x 85.5mm L, Class D

Class D

1шт.

9

82990921

VALVE,11.991mm/11.995mm OD x 85.5mm L, Class B

Class B

1шт.

9

82990922

VALVE,11.996mm/12.000mm OD x 85.5mm L, Class C

Class C

1шт.

9

82990924

VALVE,11.986mm/11.990mm OD x 85.5mm L, Class A

Class A

1шт.

10

13397370

SNAP RING,M8, Int

1шт.

11

84271074

SPACER,8mm ID x 15.6mm OD x 10mm L

1шт.

12

47123788

SPRING,15mm OD x 87.5mm L

1шт.

13

10119411

PLUG,M18 x 1.5 x 12.00mm

2шт.

14

47510372

SUPPORT

ASSY, Incl 15 - 20, 31

1шт.

15

47510218

THROTTLE

1шт.

16

14326001

PLUG,Hex Skt, M10 x 1.25 x 11mm, Cl 4.8

1шт.

17

10839710

DOWEL,M10 x 15.00mm

2шт.

18

5180551

PLUG

1шт.

19

5166012

SPRING,Compression, 7.5mm OD x 57mm L

1шт.

20

5194481

PISTON

1шт.

21

20063470

BALL,7.9mm OD

1шт.

22

14437685

O-RING,9.30mm ID x 2.40mm

1шт.

23

5183078

PLUG

1шт.

24

15540621

SCREW,Hex, M12 x 1.25 x 40mm, Cl 8.8, Full Thd

3шт.

25

15540921

SCREW,Hex, M12 x 1.25 x 55mm, Cl 8.8

1шт.

26

11190779

BELLEVILLE WASHER,M12 Bolt Size x 24mm OD x 2.8mm Thk

4шт.

27

47392388

PLUG

ASSY, Incl 28, 29

1шт.

28

47398524

SEAL

1шт.

29

NSS

NOT SOLD SEPARAT

Plug, Incl In 27

1шт.

30

14453380

O-RING,0.07" Thk x 0.614" ID, -16, Cl 5, 75 Duro

2шт.

31

84571334

SUPPORT

1шт.

32

16043624

SCREW,Hex, M8 x 1.25 x 25mm, Cl 8.8, Full Thd

4шт.

33

14456880

O-RING,0.103" Thk x 0.362" ID, -110, Cl 5, 75 Duro

1шт.

34

84567508

COVER

Cover, Inl in 6

1шт.

35

87740885

UNION

1шт.

36

14453180

O-RING,12.42mm ID x 1.78mm

2шт.

37

47404214

COVER

1шт.

Выбрано товаров: 40