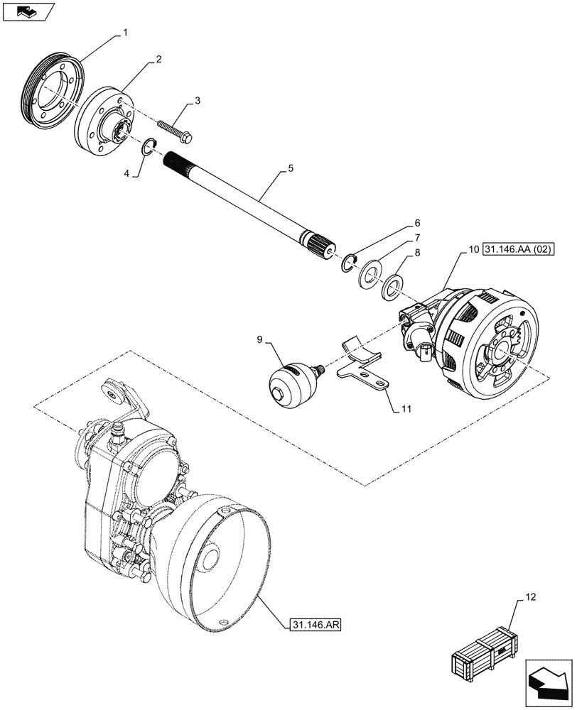
Запчасти Case IH FARMALL 115U (31.146.AA[01]) - VAR - 744710 - FRONT PTO, DRIVE SHAFT (31) - IMPLEMENT POWER TAKE OFF

Схема запчастей Case IH FARMALL 115U - (31.146.AA[01]) - VAR - 744710 - FRONT PTO, DRIVE SHAFT (31) - IMPLEMENT POWER TAKE OFF
9
10
12
8
6
31.146.aa (02)
5
31.146.ar
1
2
7
11
3
home
4
FIT
1:1
100%

Артикул

Название

Примечание

Количество

1

87310284

PULLEY

1шт.

2

47632579

DAMPER

1шт.

3

84278116

FLANGE BOLT,Hex, M10 x 65mm, Cl 10.9

6шт.

4

300629

SNAP RING,M28, Ext

1шт.

5

47437763

DRIVE SHAFT

1шт.

6

370003

SNAP RING,M30, External

1шт.

7

86511329

WASHER,31mm ID x 56mm OD x 4mm Thk

1шт.

8

47461145

SPACER,31mm ID x 50mm OD x 5mm L

1шт.

9

47455512

ACCUMULATOR,0.16L

1шт.

10

84153845

PTO CLUTCH

1шт.

11

47556974

SUPPORT

1шт.

12

718823080

DIA KIT, TRACTOR

Front PTO less FHPL (Multifunctional Axle Support), Incl 1 - 11

1шт.

To See Full DIA KIT Composition Look for all the Figures Where the DIA KIT P/N Is Shown

1шт.

Выбрано товаров: 13