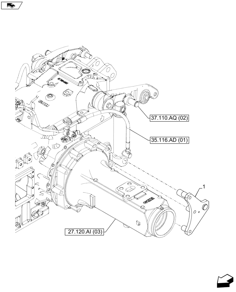
Запчасти Case IH FARMALL 115U (35.116.AH[02]) - VAR - 390832, 743597 - SUPPORT, JACK, LIFT CYLINDER (35) - HYDRAULIC SYSTEMS

Схема запчастей Case IH FARMALL 115U - (35.116.AH[02]) - VAR - 390832, 743597 - SUPPORT, JACK, LIFT CYLINDER (35) - HYDRAULIC SYSTEMS
27.120.ai (03)
35.116.ad (01)
home
1
37.110.aq (02)
FIT
1:1
100%

Артикул

Название

Примечание

Количество

1

84576808

SUPPORT

1шт.

Выбрано товаров: 1