Запчасти Case IH FARMALL 115U (35.204.BL[02]) - VAR - 332844 - REMOTE CONTROL VALVE, CONTROL LEVER (35) - HYDRAULIC SYSTEMS

Схема запчастей Case IH FARMALL 115U - (35.204.BL[02]) - VAR - 332844 - REMOTE CONTROL VALVE, CONTROL LEVER (35) - HYDRAULIC SYSTEMS
14
2
19
35.204.be (10)
21
11
13
9
4
1
6
18
7
3
home
20
8
10
15
2
16
12
17
5
FIT
1:1
100%

Артикул

Название

Примечание

Количество

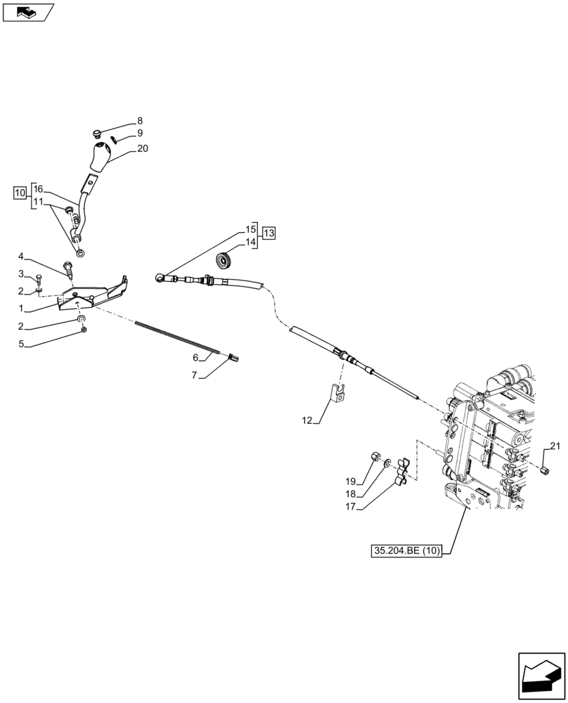
1

84295559

SUPPORT

1шт.

2

11197774

BELLEVILLE WASHER,M6 Bolt Size x 12mm OD x 1.2mm Thk

3шт.

3

86980360

BOLT,Hex, M6 x 1 x 20mm, Cl 8.8, Full Thd

2шт.

4

84302881

PIN,16.2mm OD x 49.5mm L

1шт.

5

12575411

LOCK NUT,M6 x 1, Cl 8

1шт.

6

47388662

TUBE

1шт.

7

87736475

WIRE CONNECTOR,Male, 2 Cavities/Pins

1шт.

8

84123781

SWITCH

1шт.

9

87698516

DATA PLAQUE

1шт.

10

47381164

LEVER

ASSY, Incl 11, 16

1шт.

11

84295562

BUSHING,10mm ID x 12mm OD x 10mm L

2шт.

12

47132225

BRACKET

1шт.

13

84595248

CABLE,1486.5mm L

ASSY, Incl 14, 15

1шт.

14

84325372

GROMMET,9mm ID x 30mm OD x 9mm L

1шт.

15

NSS

NOT SOLD SEPARAT

Cable, Incl in 13

1шт.

16

NSS

NOT SOLD SEPARAT

Lever, Incl in 10

1шт.

17

5191951

CLAMP,3 Hoses

1шт.

18

14496501

WASHER,8.4mm ID x 17mm OD x 1.6mm Thk

2шт.

19

87597953

NUT,M8, 1.25 Pitch, 10.6mm High, Cl 8, ZND

2шт.

20

47381080

KNOB,Black

1шт.

21

82012528

NUT,Hex, M6 x 1

3шт.

Выбрано товаров: 21