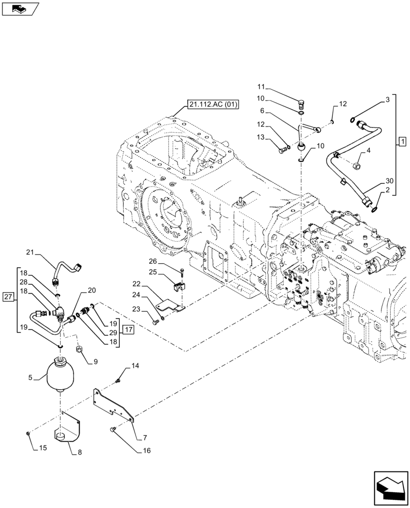
Запчасти Case IH FARMALL 115U (35.300.BQ) - VAR - 334119 - HYDRAULIC TRANSMISSION CONTROL, ACCUMULATOR (35) - HYDRAULIC SYSTEMS

Схема запчастей Case IH FARMALL 115U - (35.300.BQ) - VAR - 334119 - HYDRAULIC TRANSMISSION CONTROL, ACCUMULATOR (35) - HYDRAULIC SYSTEMS
8
18
25
9
28
21
3
19
14
21.112.ac (01)
1
24
29
10
12
20
11
10
13
18
7
22
18
19
23
12
30
4
5
16
6
2
26
27
17
15
home
FIT
1:1
100%

Артикул

Название

Примечание

Количество

1

47462275

PIPE

ASSY, Incl 2, 3, 30

1шт.

2

5185513

O-RING,1.78mm Thk x 18.77mm ID, 85 Duro

1шт.

3

5185510

O-RING,1.78mm Thk x 9.25mm ID, 85 Duro

1шт.

4

9840575

CAP,13/16" - 16 ORFS

1шт.

5

5195043

ACCUMULATOR,0.75L

1шт.

6

47123594

HYD TUBE

1шт.

7

82033143

BRACKET

Black

1шт.

8

82009123

SUPPORT

Black

1шт.

9

47123020

PLUG,Hex

1шт.

10

10259960

SEAL,Rectangular, 18.30mm ID x 24.00mm OD x 1.50mm, Copper

2шт.

11

5196881

BANJO BOLT

1шт.

12

10261160

SEALING WASHER,M14.2 x 18 x 1.5, Copper

2шт.

13

10184311

BANJO BOLT,M14 x 1.5 x 27mm

1шт.

14

16043224

BOLT,Hex, M8 x 16mm, Cl 8.8

2шт.

15

16100824

NUT,M8, Cl 10

2шт.

16

15970324

SCREW,Hex, M10 x 1.25 x 16mm, Cl 8.8, Full Thd

2шт.

17

5185561

HYD CONNECTOR,Straight, M18 x 1.5 UN/UNF, 13/16"-16" ORFS

ASSY, Incl 18 (Qty 1), 19 (Qty 1), 29

1шт.

18

5185511

O-RING,1.78mm Thk x 12.42mm ID, 85 Duro

3шт.

19

14437985

O-RING,15.3mm ID x 2.4mm

2шт.

20

47465137

TUBE

1шт.

21

47462279

PIPE

1шт.

22

47464569

BRACKET

1шт.

23

86637962

BOLT,Hex, M10 x 1.25 x 20mm, Cl 8.8, Full Thd

2шт.

24

86625251

WASHER,10.5mm ID x 18mm OD x 1.6mm Thk

2шт.

25

84428662

BLOCK,20.4mm

1шт.

26

16286424

BOLT,Hvy Hex, M6 x 35mm, Cl 8.8

1шт.

27

47130867

HYD CONNECTOR

ASSY, Incl 18 (Qty 2), 19 (Qty 1), 28

1шт.

28

NSS

NOT SOLD SEPARAT

Tee, Incl in 27

1шт.

29

NSS

NOT SOLD SEPARAT

Connector, Incl in 17

1шт.

30

NSS

NOT SOLD SEPARAT

Hose, Incl in 1

1шт.

Выбрано товаров: 30