Качественные детали и логистика
Оригинальные и аналоговые запчасти с доставкой по России, Казахстану и Беларуси
©2022 PartSell ООО "Система" ИНН 2463123282 ОГРН 1212400004838
Центральный офис: г. Красноярск, Академика Киренского, д.87, пом.4
Телефон: 8 (800) 777-65-74 Email: zakaz@partsell.ru
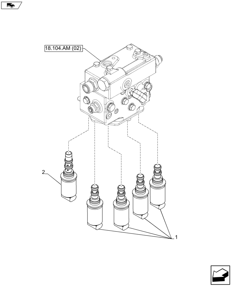
(55.015.AI[02]) - VAR - 334114, 334115, 334117 - PTO, SOLENOID VALVE
№
Артикул
Название
Примечание
Количество
1
84286799
SOLENOID VALVE,12V DC, 7.3Ohm
4шт.
2
87739558
SOLENOID VALVE,14W
1шт.
Выбрано товаров: 0