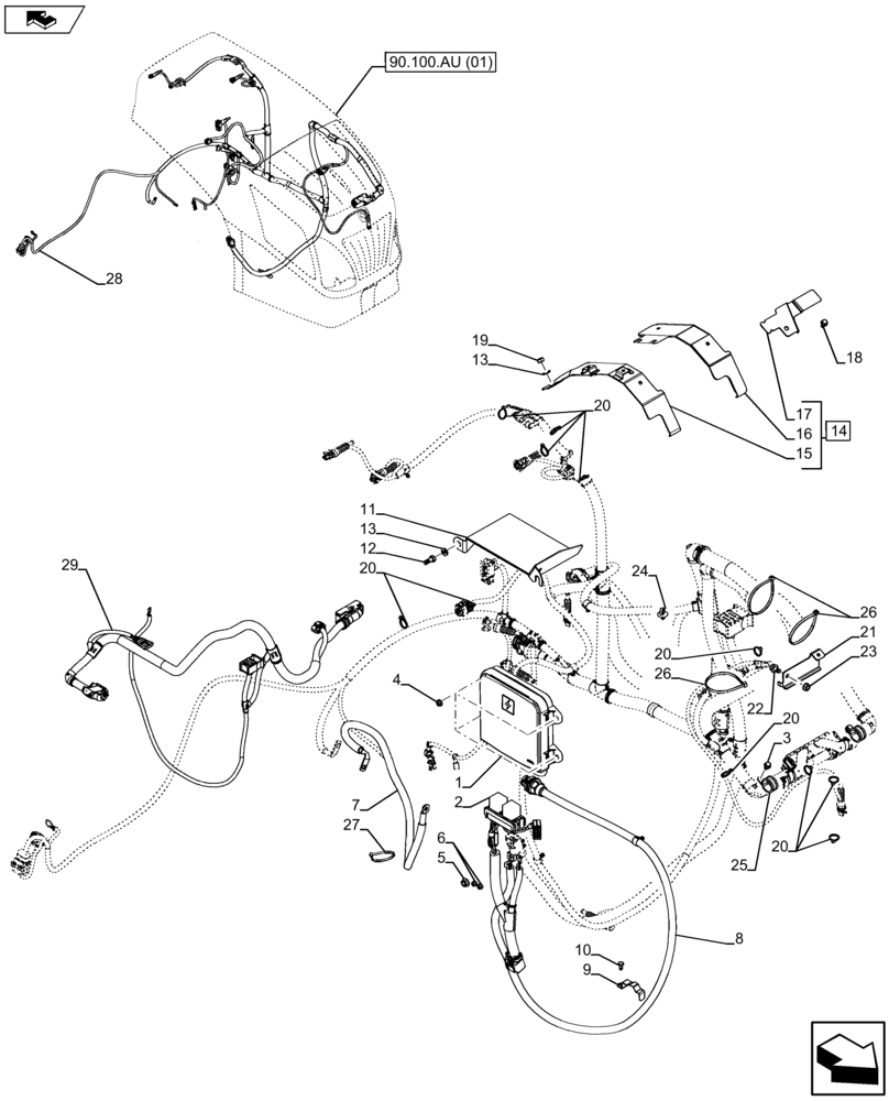
Запчасти Case IH FARMALL 115U (55.020.AB[01]) - VAR - 390798 - ELECTRICAL SYSTEM CABLES (55) - ELECTRICAL SYSTEMS

Схема запчастей Case IH FARMALL 115U - (55.020.AB[01]) - VAR - 390798 - ELECTRICAL SYSTEM CABLES (55) - ELECTRICAL SYSTEMS
24
4
16
6
21
10
14
90.100.au (01)
home
25
28
2
17
13
23
29
7
20
12
20
22
20
13
5
9
11
18
3
26
20
19
home
20
15
1
27
26
8
FIT
1:1
100%

Артикул

Название

Примечание

Количество

1

47383128

FUSE BOX

1шт.

2

47580077

WIRE HARNESS

PDU Extension

1шт.

3

844-6012

BOLT,Hvy Hex, M6 x 12mm, Cl 8.8

2шт.

4

14059211

FLANGE NUT,M6 x 1, Flg, Cl 8

4шт.

5

13046211

NUT,Flange Hex, M8

1шт.

6

12578017

FLANGE NUT,Hex, M5 x 0.8, Cl 8

2шт.

7

84549464

HARNESS

Alternator, Positive

1шт.

8

84408966

ELECTRICAL WIRE

Power Harness, Cab

1шт.

9

47397258

BRACKET

1шт.

10

10902024

SCREW,Hex, M6 x 12mm, Cl 8.8

1шт.

11

84561220

HEAT SHIELD

1шт.

12

16043424

SCREW,Hex, M8 x 1.25 x 20mm, Cl 8.8, Full Thd

1шт.

13

10519604

WASHER,8.15mm ID x 17mm OD x 2mm Thk

2шт.

14

47440082

BRACKET

ASSY, Incl 15 - 17

1шт.

15

NSS

NOT SOLD SEPARAT

Bracket, Incl in 14

1шт.

16

84495754

HEAT SHIELD

1шт.

17

84490367

BRACKET

1шт.

18

16285924

BOLT,Hvy Hex, M6 x 12mm, Cl 8.8, Full Thd

1шт.

19

16100811

NUT,Hex, M8, 6.80mm, Cl 8, ZND

1шт.

20

14560087

CABLE TIE,103mm, Black

11шт.

21

47374988

CONTROL

1шт.

22

16281924

FLANGE BOLT,Hvy Hex, M8 x 14mm, Cl 8.8, Full Thd

1шт.

23

14084411

LOCK NUT,Hex, M8 x 1.25

1шт.

24

82033028

CABLE TIE,170mm L

1шт.

25

10417901

RETAINER,26mm, Coat, 7mm Bolt Hole, P Type

2шт.

26

14560287

CABLE TIE,207.00mm L

3шт.

27

14560187

COLLAR,199mm L

1шт.

28

47412083

WIRE HARNESS

Engine

1шт.

29

47396559

WIRE HARNESS

Engine

1шт.

Выбрано товаров: 29