Качественные детали и логистика
Оригинальные и аналоговые запчасти с доставкой по России, Казахстану и Беларуси
©2022 PartSell ООО "Система" ИНН 2463123282 ОГРН 1212400004838
Центральный офис: г. Красноярск, Академика Киренского, д.87, пом.4
Телефон: 8 (800) 777-65-74 Email: zakaz@partsell.ru
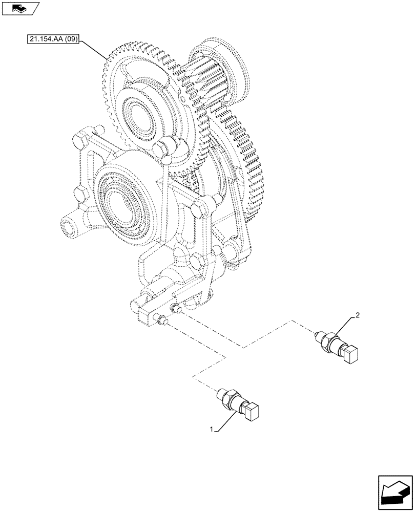
(55.022.AB[03]) - VAR - 334114 - TEMPERATURE SWITCH
№
Артикул
Название
Примечание
Количество
1
47132957
SENSOR
1шт.
2
47132956
Выбрано товаров: 0