Качественные детали и логистика
Оригинальные и аналоговые запчасти с доставкой по России, Казахстану и Беларуси
©2022 PartSell ООО "Система" ИНН 2463123282 ОГРН 1212400004838
Центральный офис: г. Красноярск, Академика Киренского, д.87, пом.4
Телефон: 8 (800) 777-65-74 Email: zakaz@partsell.ru
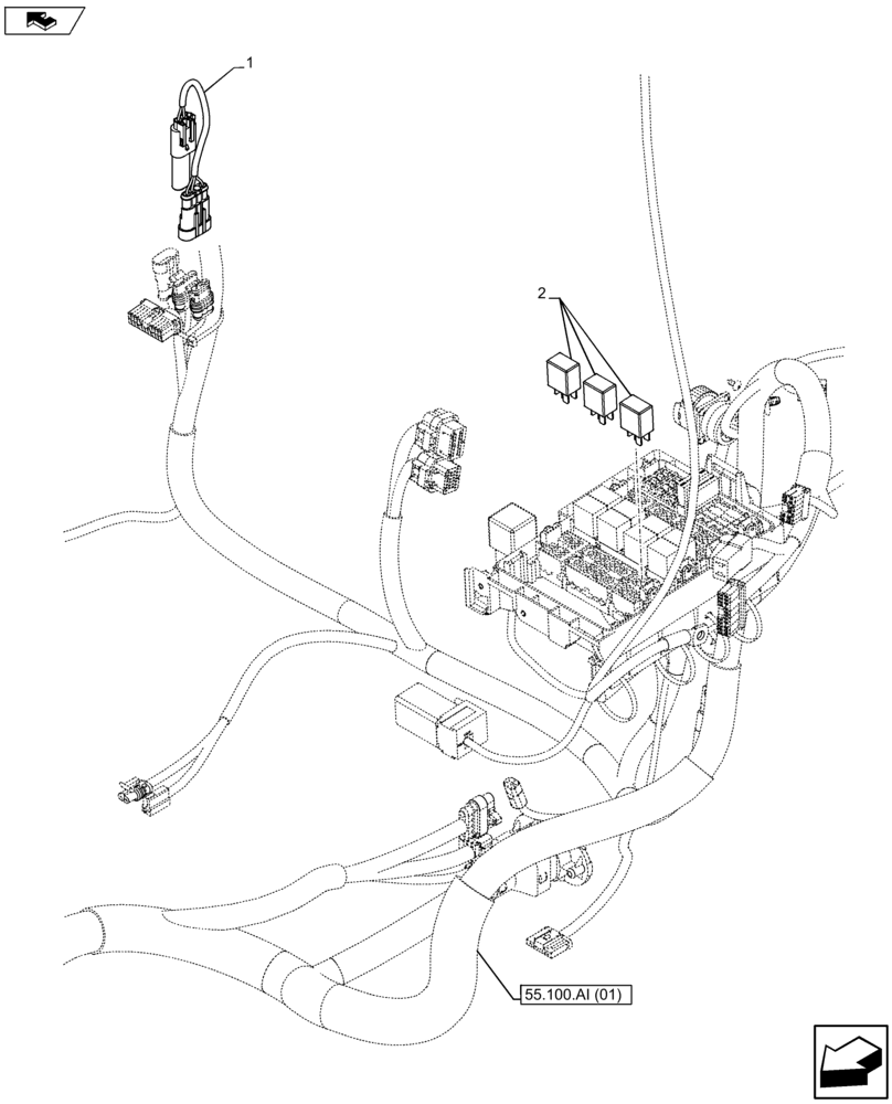
(55.100.AX[01]) - VAR - 744712 - WIRE HARNESS, FRONT
№
Артикул
Название
Примечание
Количество
1
84157157
RELAY,12V, 20A, Micro
12V, 20A
3шт.
2
84474013
ELECTRICAL WIRE
Front Loader
1шт.
Выбрано товаров: 0