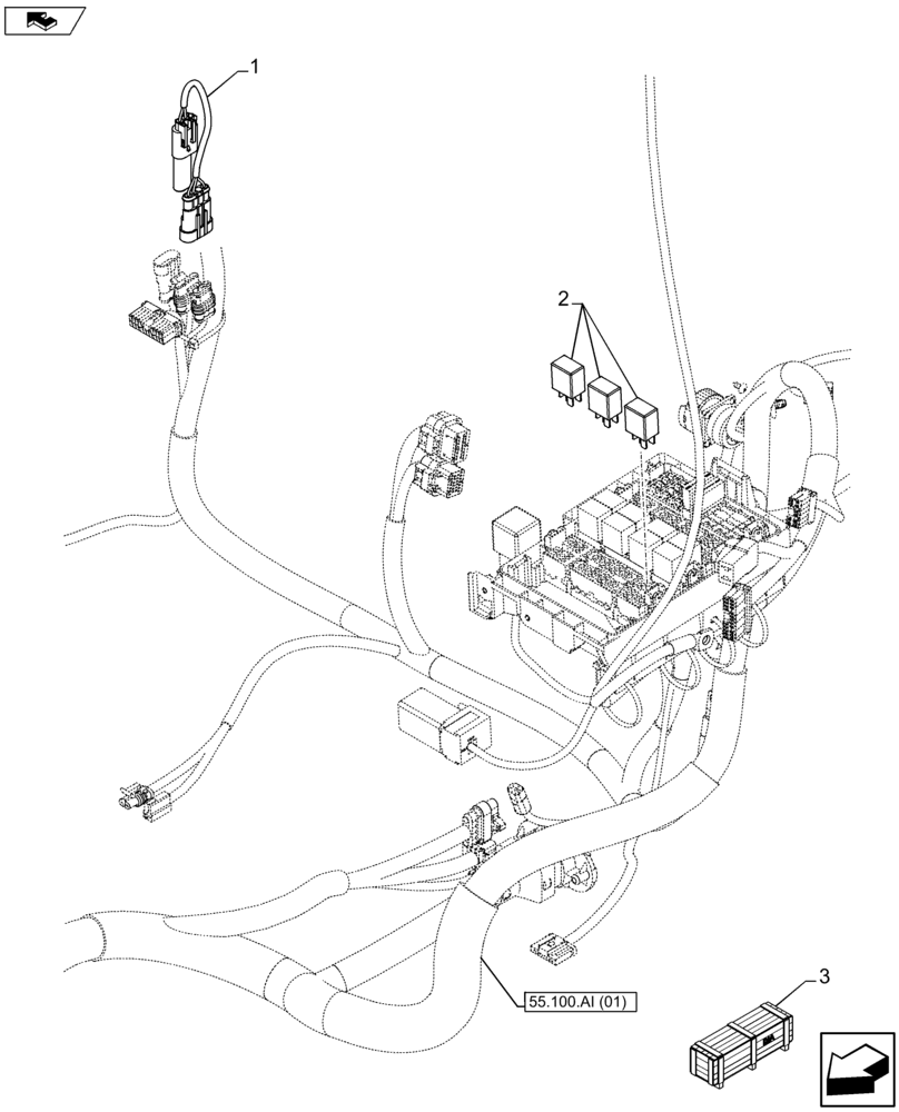
Запчасти Case IH FARMALL 115U (55.100.AX[02]) - VAR - 744712 - WIRE HARNESS, FRONT (55) - ELECTRICAL SYSTEMS

Схема запчастей Case IH FARMALL 115U - (55.100.AX[02]) - VAR - 744712 - WIRE HARNESS, FRONT (55) - ELECTRICAL SYSTEMS
home
home
2
3
55.100.ai (01)
1
FIT
1:1
100%

Артикул

Название

Примечание

Количество

1

84474013

ELECTRICAL WIRE

Front Loader

1шт.

2

84157157

RELAY,12V, 20A, Micro

12V, 20A

3шт.

3

718844020

DIA KIT, TRACTOR

European Front Loader Bracket (MMV Not Included), with Mechanical and 80L Pump, Incl 1, 2

1шт.

To See Full DIA KIT Composition Look for all the Figures Where the DIA KIT P/N Is Shown

1шт.

3

718845020

DIA KIT, TRACTOR

European Front Loader Bracket (MMV Not Included), with Electrical Mind Mount Valve, Incl 1, 2

1шт.

Выбрано товаров: 5