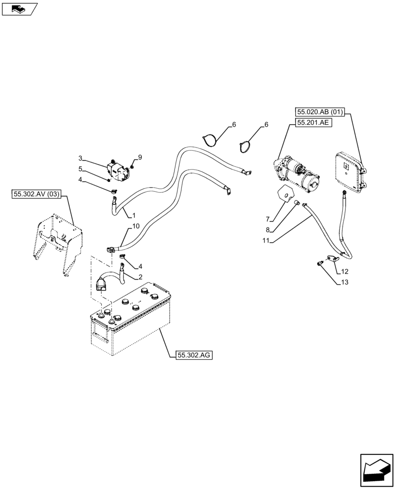
Запчасти Case IH FARMALL 115U (55.302.AV[01]) - VAR - 330798 - POWERHARNESS W/ BDS AND BATTERY ON THE RIGHT SIDE (55) - ELECTRICAL SYSTEMS

Схема запчастей Case IH FARMALL 115U - (55.302.AV[01]) - VAR - 330798 - POWERHARNESS W/ BDS AND BATTERY ON THE RIGHT SIDE (55) - ELECTRICAL SYSTEMS
4
11
9
12
13
55.302.av (03)
8
1
home
55.020.ab (01)
55.201.ae
4
55.302.ag
7
10
6
2
3
5
6
home
FIT
1:1
100%

Артикул

Название

Примечание

Количество

1

84598293

WIRE HARNESS

Positive

1шт.

2

84598332

POS BATTERY CABLE

Positive

1шт.

3

87716664

SUPPORT

1шт.

4

87494016

CLIP,NW17

2шт.

5

13046111

LOCK NUT,Flg Lock, M6

2шт.

6

14560287

CABLE TIE,207.00mm L

2шт.

7

87309612

COVER

1шт.

8

5171012

NUT,M10

1шт.

9

13046211

NUT,Flange Hex, M8

1шт.

10

87487740

NEG BATTERY CABLE,1250mm L

Negative

1шт.

11

84575785

ELECTRIC CABLE

Starter Motor

1шт.

12

47554087

BRACKET

1шт.

13

14432424

HEX SOC SCREW,M12 x 1.75 x 20mm, Cl 8.8, Full Thd

1шт.

Выбрано товаров: 13