Запчасти Case IH FARMALL 115U (05.100.03[02]) - CAPACITIES (05) - SERVICE & MAINTENANCE

Схема запчастей Case IH FARMALL 115U - (05.100.03[02]) - CAPACITIES (05) - SERVICE & MAINTENANCE
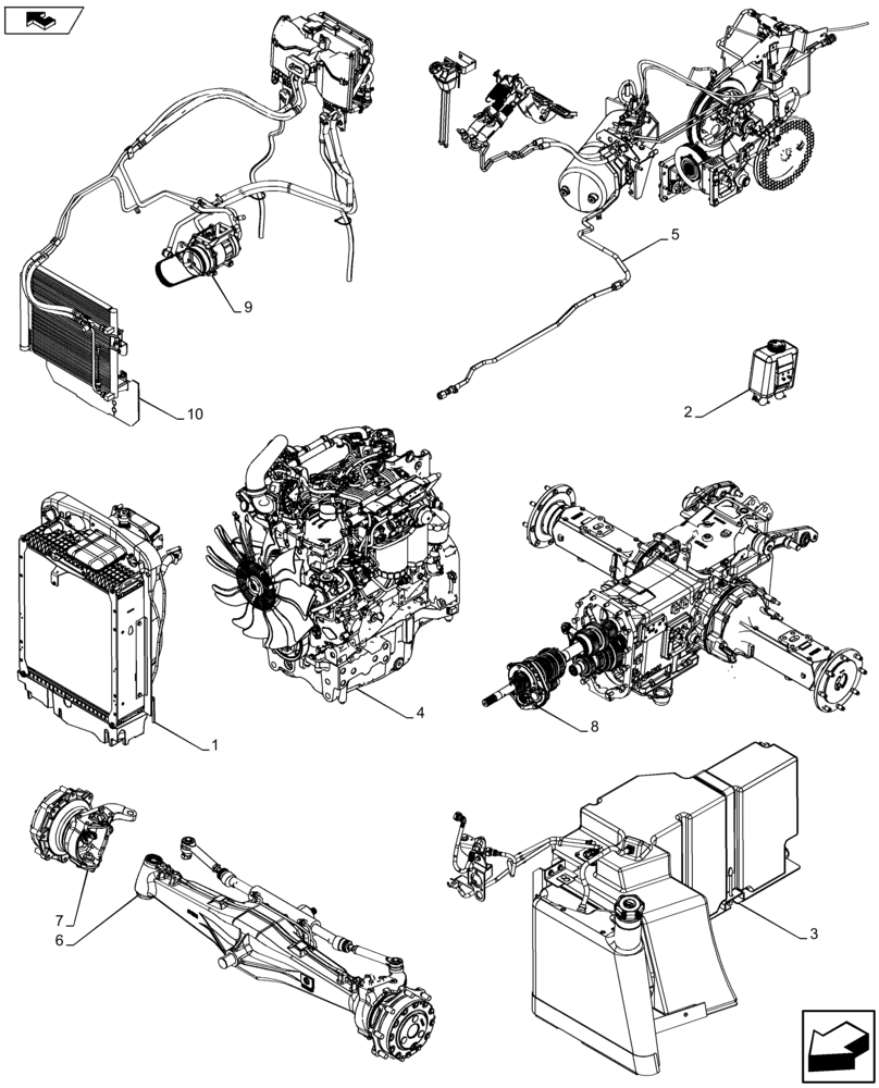
1
10
3
2
8
9
7
6
4
5
FIT
1:1
100%

Артикул

Название

Примечание

Количество

1

=

Cooling System Circuit Capacity: (Qty in Liters) ( 4.2 US Gallons )

16шт.

CASE IH AKCELA PREMIUM Anti-freeze at 50 % + 50 % Water ( Case IH : MS1710 )

1шт.

2

=

Windscreen Wash Reservoir: (Qty in Liters) ( 0.5 US Gallons )

2шт.

3

=

Fuel Tank Capacity: (Qty in Liters) ( 43.6 US Gallons )

165шт.

4

=

Engine Oil Capacity, Minimum (Qty in Liters) ( 1.7 US Gallons )

6.4шт.

CASE IH AKCELA UNITEK NO. 1™ SBL CJ-4 SAE 10W-40 or CASE IH AKCELA UNITEK NO. 1™ SSL CJ-4 SAE 0W-40 ( Case IH : MAT3521 / International : API CJ-4, ACEA E9 )

1шт.

4

=

Engine Oil Capacity, Maximum: (Qty in Liters) ( 2.1 US Gallons )

8.1шт.

CASE IH AKCELA UNITEK NO. 1™ SBL CJ-4 SAE 10W-40 or CASE IH AKCELA UNITEK NO. 1™ SSL CJ-4 SAE 0W-40 ( Case IH : MAT3521 / International : API CJ-4, ACEA E9 )

1шт.

5

=

Brake Control Circuit Capacity: (Qty in Liters) ( 0.18 US Gallons )

1шт.

CASE IH AKCELA LHM Fluid ( International : ISO 7308 )

1шт.

6

=

Front Axle Circuit Capacity: (Qty in Liters) ( 1.2 US Gallons )

4.5шт.

CASE IH AKCELA NEXPLORE™ Fluid ( Case IH : MAT3525 / International : API GL4, ISO 32/46, SAE 10WE-30 )

1шт.

7

=

Front Axle Final Drives Capacity: (Qty in Liters) ( 0.3 Gallons )

1шт.

CASE IH AKCELA NEXPLORE™ Fluid ( Case IH : MAT3525 / International : API GL4, ISO 32/46, SAE 10WE-30 )

1шт.

8

=

Rear Axle Capacity (Including Transmission, Final Reduction Units, Hydraulic Lift, PTO and Hydrostatic Circuit): (Qty in Liters) ( 16.6 US Gallons )

63шт.

CASE IH AKCELA NEXPLORE™ Fluid ( Case IH : MAT3525 / International : API GL4, ISO 32/46, SAE 10WE-30 )

1шт.

9

=

A/C Compressor Oil Capacity: (Qty in Liters) ( 0.05 US Gallons )

1шт.

( International : SP10 )

1шт.

10

=

Air Conditioning Refrigerant Capacity: (Qty in Grams) ( 22.9 oz )

650шт.

( International : R134 A )

1шт.

Выбрано товаров: 20