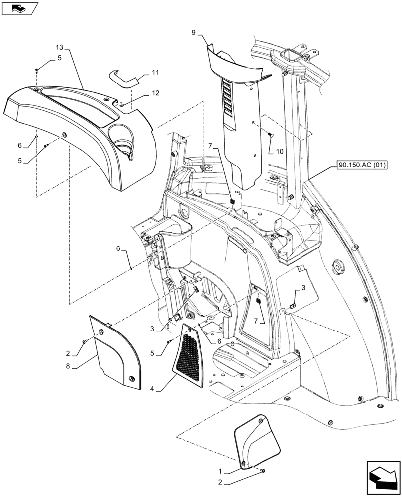
Запчасти Case IH FARMALL 115U (90.160.AM[01]) - VAR - 332865 - CAB INTERIOR TRIM (90) - PLATFORM, CAB, BODYWORK AND DECALS

Схема запчастей Case IH FARMALL 115U - (90.160.AM[01]) - VAR - 332865 - CAB INTERIOR TRIM (90) - PLATFORM, CAB, BODYWORK AND DECALS
3
home
4
3
10
5
8
6
7
1
6
home
11
12
2
5
13
7
90.150.ac (01)
9
2
6
5
FIT
1:1
100%

Артикул

Название

Примечание

Количество

1

84315606

PLUG,Seat painted NH

1шт.

2

1983037

HEX SOC SCREW,Btn Hd Flg, M6 x 16mm, Cl 10.9

4шт.

3

14371774

SPRING NUT,M6, U, 12mm long

4шт.

4

84316040

FILTER COVER

1шт.

5

84354393

PIN,18.8mm L

5шт.

6

84354903

THRUST WASHER,10.2mm OD x 1mm Thk

5шт.

7

84291986

CLIP,18.8mm L x 15.9mm W

2шт.

8

84316029

TRIM PANEL

1шт.

9

84327984

TRIM

1шт.

10

82023460

STUD,M7.85 x 19.50mm, Plastic

6шт.

11

84347880

RUBBER SEAL,123.8mm L

1шт.

12

14183474

PUSH-ON NUT,M4, Push

5шт.

13

84316095

TRIM PANEL

1шт.

Выбрано товаров: 13