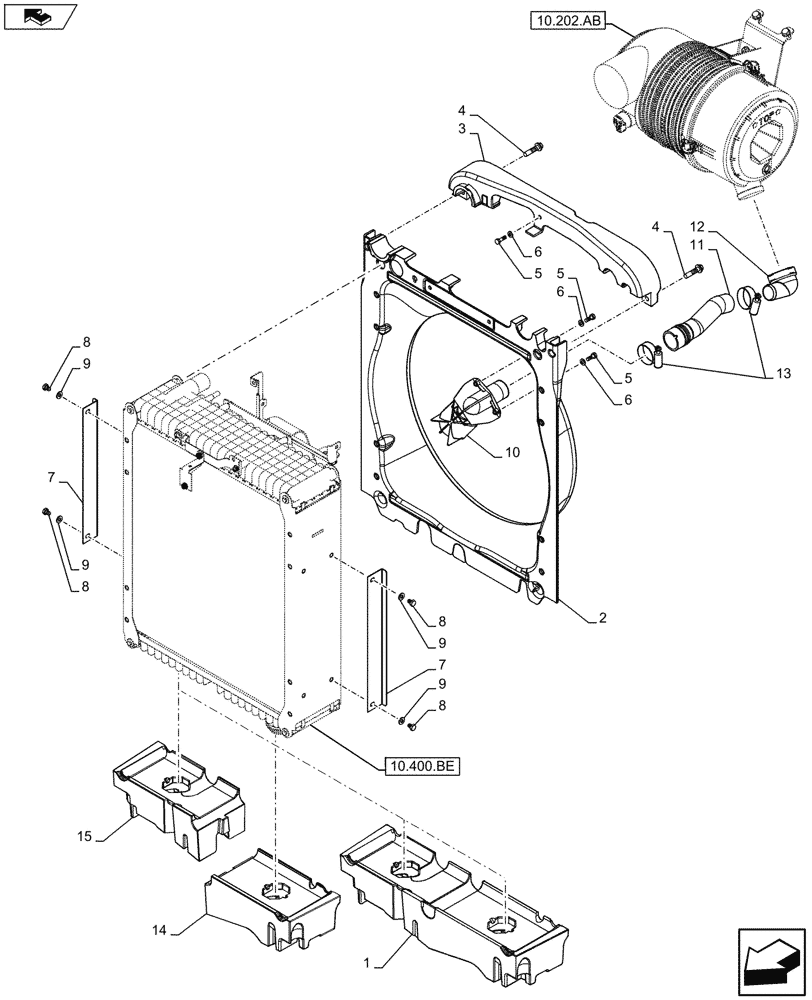
Запчасти Case IH FARMALL 115U (10.400.BF[02]) - VAR - 330200 - RADIATOR FAN SHROUD (10) - ENGINE

Схема запчастей Case IH FARMALL 115U - (10.400.BF[02]) - VAR - 330200 - RADIATOR FAN SHROUD (10) - ENGINE
10.202.ab
home
5
10
6
4
6
home
12
13
9
6
14
9
8
4
9
8
2
1
11
7
9
7
15
8
8
5
3
5
10.400.be
FIT
1:1
100%

Артикул

Название

Примечание

Количество

1

84468203

INSULATOR

1шт.

2

84279593

SHROUD

1шт.

3

84425897

SEAL

1шт.

4

86511842

BOLT,M8 x 1.25 x 48.1mm OAL, Cl 8.8

2шт.

5

10902420

SCREW,Hex, M6 x 20mm, Cl 8.8, Full Thd

1шт.

6

10519401

WASHER,6.4mm ID x 11.95mm OD x 1.6mm Thk

1шт.

7

84405336

COVER

2шт.

8

16043021

SCREW,Hex, M8 x 1.25 x 12mm, Cl 8.8, Full Thd

4шт.

9

10519604

WASHER,8.15mm ID x 17mm OD x 2mm Thk

4шт.

10

84185540

DUST CAP

1шт.

11

84329071

TUBE

, Years: -02-JAN-13

1шт.

11

47379760

HOSE,30.5mm ID x 223mm L

, Start Year: 03-JAN-13

1шт.

12

84417233

ELBOW

1шт.

13

82039347

HOSE CLAMP,35mm - 50mm, Worm Gear

35 x 50 x 12

2шт.

14

47444204

SEAL

LH, Alternative Part

1шт.

15

47444202

RUBBER BLOCK

RH, Alternative Part

1шт.

Выбрано товаров: 16