Запчасти Case IH FARMALL 115U (21.109.AC) - STD + VAR - 332279, 332299, 390181 - OIL COOLER, PIPE (21) - TRANSMISSION

Схема запчастей Case IH FARMALL 115U - (21.109.AC) - STD + VAR - 332279, 332299, 390181 - OIL COOLER, PIPE (21) - TRANSMISSION
home
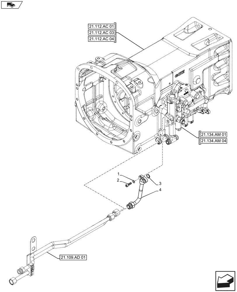
4
3
21.134.am 01
21.134.am 04
21.112.ac 04
home
21.112.ac 03
1
21.112.ac 01
2
21.109.ad 01
FIT
1:1
100%

Артикул

Название

Примечание

Количество

1

84365547

WASHER,8.4mm ID x 16mm OD x 2mm Thk

2шт.

2

14306524

HEX SOC SCREW,M8 x 1.25 x 30mm, Cl 8.8, Full Thd

2шт.

3

14457180

O-RING,0.103" Thk x 0.549" ID, -113, Cl 5, 75 Duro

1шт.

4

84564273

TUBE

Pressure Valve to Cooler

1шт.

Выбрано товаров: 4