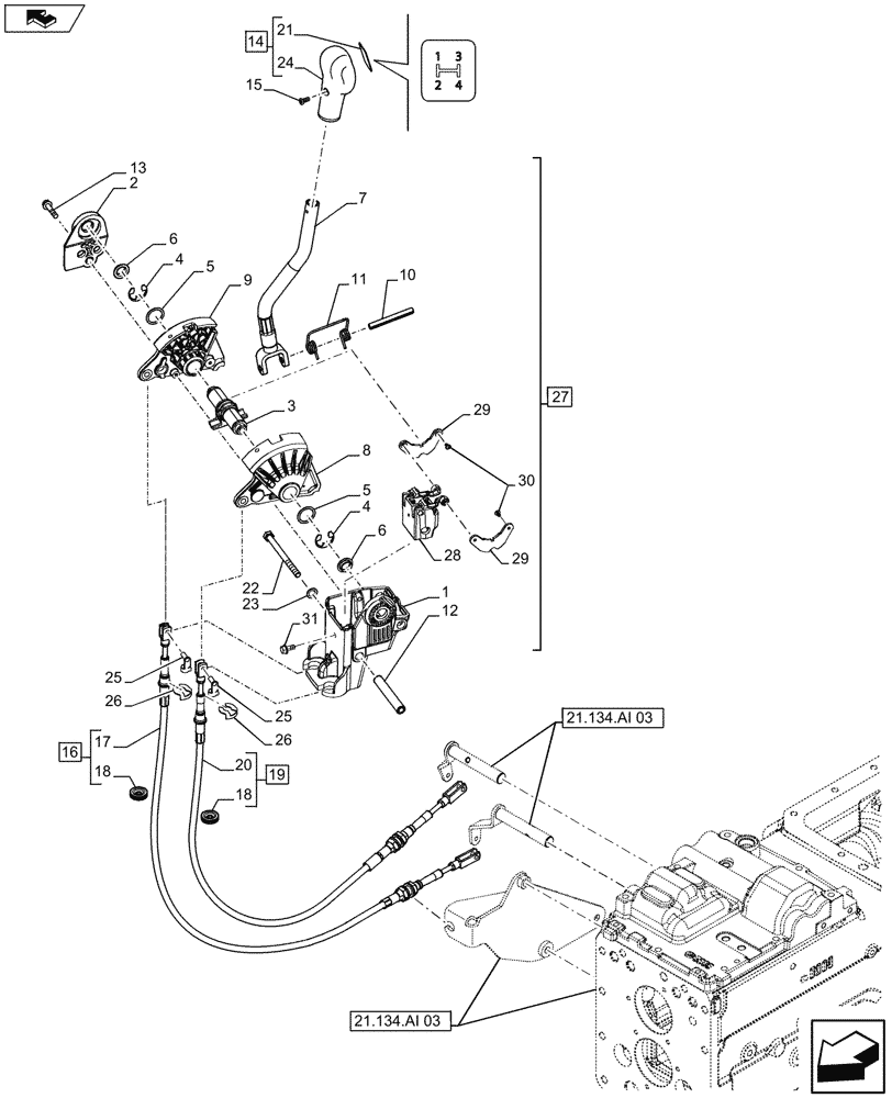
Запчасти Case IH FARMALL 115U (21.134.AI[01A]) - STD + VAR - 390846 - TRANSMISSION (12X12 /20X20), GEARSHIFT - BEGIN YR 20-JUN-2014 (21) - TRANSMISSION

Схема запчастей Case IH FARMALL 115U - (21.134.AI[01A]) - STD + VAR - 390846 - TRANSMISSION (12X12 /20X20), GEARSHIFT - BEGIN YR 20-JUN-2014 (21) - TRANSMISSION
21.134.ai 03
31
home
26
9
4
10
30
6
27
15
29
24
17
23
20
25
12
14
18
11
5
8
21
6
2
26
29
1
25
16
28
13
4
7
19
3
5
18
22
21.134.ai 03
FIT
1:1
100%

Артикул

Название

Примечание

Количество

1

84583575

SUPPORT

Black

1шт.

2

84478538

SUPPORT

1шт.

3

47627747

SHAFT

1шт.

4

16165174

CIRCLIP,M16

2шт.

5

84583037

WASHER,22.5mm ID x 30mm OD x 1mm Thk

2шт.

6

84295357

BUSHING,16mm ID x 24mm OD x 6mm L

2шт.

7

84535356

LEVER

1шт.

8

84583576

FERRULE

LH, Black

1шт.

9

84583577

FERRULE

RH, Black

1шт.

10

14607870

LOCK PIN,M8 x 70, Slotted

1шт.

11

84325171

SPRING

1шт.

12

84338346

SPACER,8mm ID x 13mm OD x 81mm L

2шт.

13

15926104

SELF-TAP SCREW,ST 6.3 x 32 Type AB, HTS DAC

2шт.

14

84399104

KNOB

ASSY, Incl 21, 24

1шт.

15

13310777

SCREW,Pozidriv Oval Hd, Csk, M5 x 10mm, Full Thd, SST

1шт.

16

84485015

BOWDEN CONTROL

ASSY, RH, Incl 17, 18 (Qty 1)

1шт.

17

NSS

NOT SOLD SEPARAT

Bowden Control, Incl in 16

1шт.

18

84325372

GROMMET,9mm ID x 30mm OD x 9mm L

2шт.

19

84485018

BOWDEN CONTROL

ASSY, LH, Incl 18 (Qty 1), 20

1шт.

20

NSS

NOT SOLD SEPARAT

Bowden Control, Incl in 19

1шт.

21

84381847

COVER

1шт.

22

86980390

BOLT,Hex, M8 x 100mm, Cl 8.8

M8 x 1.25 x 100

2шт.

23

10284460

WASHER,M10.2 x 16 x 1.5, Copper

2шт.

24

NSS

NOT SOLD SEPARAT

Knob, Incl in 14

1шт.

25

85819469

CLIP

2шт.

26

84349366

CIRCLIP

2шт.

27

84583574

SELECTOR

ASSY, Incl 1 - 13, 28 - 31

1шт.

28

84583500

PAN

1шт.

29

84583496

PLATE

2шт.

30

47692858

SCREW,Pan Hd, M3.5 x 1.3 x 9.5mm

4шт.

31

44995066

SELF-TAP SCREW,Hex Wash Hd, M6.3 x 16

1шт.

Выбрано товаров: 31