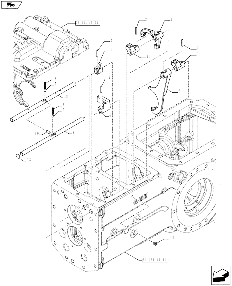
Запчасти Case IH FARMALL 115U (21.145.AG) - STD + VAR - 332279, 332299, 390181 - CENTRAL REDUCTION GEAR (21) - TRANSMISSION

Схема запчастей Case IH FARMALL 115U - (21.145.AG) - STD + VAR - 332279, 332299, 390181 - CENTRAL REDUCTION GEAR (21) - TRANSMISSION
21.134.ai 03
11
9
2
8
7
4
1
2
2
2
13
6
11
10
12
6
7
5
3
home
21.120.ab 01
FIT
1:1
100%

Артикул

Название

Примечание

Количество

1

5125822

SHIFTER FORK

1шт.

2

13907770

ROLL PIN,M5 x 32, Coiled

6шт.

3

5125823

SHIFTER FORK

1шт.

4

84474585

DOG

1шт.

5

84474590

SUPPORT

1шт.

6

4994342

SPRING,8mm OD x 30mm OAL

2шт.

7

20063390

BALL,8.73mm OD

2шт.

8

84478162

ROD

Range Shifter

1шт.

9

84478161

ROD

Low and High Range Shifter

1шт.

10

5110264

PAWL,8.5mm OD x 26.5mm L

1шт.

11

84547179

DOG

2шт.

12

10275501

PLUG,Pipe, Hex Skt, M12 x 1.25 x 11mm, Cl 4.8

1шт.

13

10158801

PLUG,M20, Tapered, Stainless

1шт.

Выбрано товаров: 13