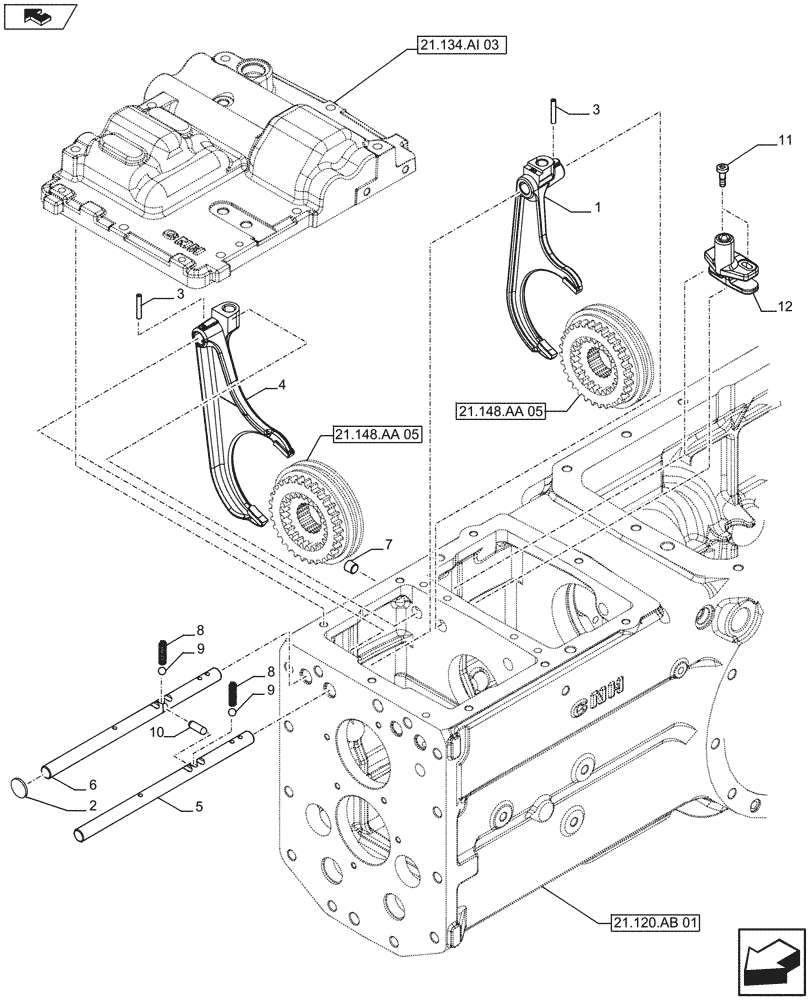
Запчасти Case IH FARMALL 115U (21.148.AK[02]) - VAR - 743507 - TRANSMISSION, ROD & FORKS, ISO (30KPH) (21) - TRANSMISSION

Схема запчастей Case IH FARMALL 115U - (21.148.AK[02]) - VAR - 743507 - TRANSMISSION, ROD & FORKS, ISO (30KPH) (21) - TRANSMISSION
21.134.ai 03
10
21.120.ab 01
8
7
1
12
2
9
5
8
home
3
11
home
9
4
6
21.148.aa 05
3
21.148.aa 05
FIT
1:1
100%

Артикул

Название

Примечание

Количество

1

84527425

FORK

3 - 4 Speed for 30 Km/H

1шт.

2

10158801

PLUG,M20, Tapered, Stainless

1шт.

3

13907770

ROLL PIN,M5 x 32, Coiled

2шт.

4

84480572

FORK

1 - 2 Speed

1шт.

5

84528704

ROD

3 - 4 Speed

1шт.

6

84528703

ROD

1 - 2 Speed

1шт.

7

10275501

PLUG,Pipe, Hex Skt, M12 x 1.25 x 11mm, Cl 4.8

1шт.

8

4994342

SPRING,8mm OD x 30mm OAL

2шт.

9

20063390

BALL,8.73mm OD

2шт.

10

5110264

PAWL,8.5mm OD x 26.5mm L

1шт.

11

84481647

SCREW

2шт.

12

84532162

ACTUATOR

1шт.

Выбрано товаров: 12