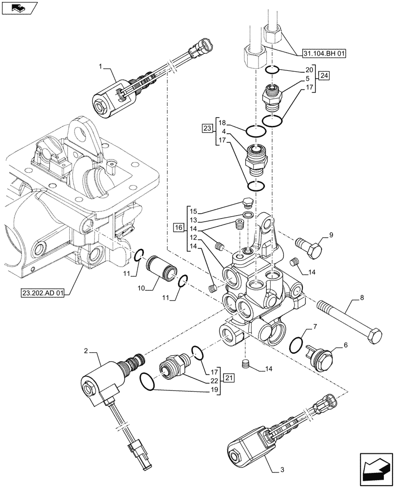
Запчасти Case IH FARMALL 115U (23.202.AJ[01]) - STD + VAR - 743933 - DIFFERENTIAL LOCK, VALVE (23) - FOUR WHEEL DRIVE SYSTEM

Схема запчастей Case IH FARMALL 115U - (23.202.AJ[01]) - STD + VAR - 743933 - DIFFERENTIAL LOCK, VALVE (23) - FOUR WHEEL DRIVE SYSTEM
7
23
11
2
home
15
3
23.202.ad 01
24
14
home
4
14
5
17
14
16
14
1
20
21
6
19
31.104.bh 01
11
17
18
10
13
8
12
22
17
9
FIT
1:1
100%

Артикул

Название

Примечание

Количество

1

87681748

SOLENOID,1.5A, 3W/2P

Differential Lock

1шт.

2

87681738

SOLENOID VALVE,3W/2P w/ Diode, 12V-19W

4WD

1шт.

3

87681749

SOLENOID VALVE,4W/2P w/ Diode, 12V-19W

PTO

1шт.

4

NSS

NOT SOLD SEPARAT

Connector, Incl in 23

1шт.

5

NSS

NOT SOLD SEPARAT

Connector, Incl in 24

1шт.

6

5174927

PLUG

1шт.

7

14438185

O-RING,24mm ID x 3mm

1шт.

8

5166320

BOLT,Hex, M12 x 1.25 x 105mm, Cl 8.8

1шт.

9

15540424

SCREW,Hex, M12 x 1.25 x 30mm, Cl 8.8, Full Thd

1шт.

10

5174926

PIPE COUPLING

1шт.

11

5135738

O-RING,0.103" Thk x 0.674" ID, -115, 80 Duro

2шт.

12

NSS

NOT SOLD SEPARAT

Body, Incl in 16

1шт.

13

87316678

SEALING WASHER,10mm ID x 16mm OD x 2.3mm Thk

1шт.

14

14326004

PLUG,Hex Socket, M10 x 1.25 x 11.00mm, STL, DAC

5шт.

15

11903114

PLUG,M10 x 1.25 x 11

1шт.

16

5174714

SUPPORT

ASSY, Support Valve with Plugs, Incl 12 - 15

1шт.

17

86598101

O-RING,2.2mm Thk x 15.3mm ID, Cl 6, 90 Duro

3шт.

18

9992069

O-RING,0.07" Thk x 0.614" ID, -16, Cl 6, 90 Duro

1шт.

19

9992298

O-RING,0.07" Thk x 0.489" ID, -14, Cl 6, 90 Duro

1шт.

20

9993141

O-RING,0.07" Thk x 0.364" ID, -12, Cl 6, 90 Duro

1шт.

21

86579676

HYD CONNECTOR,13/16" - 16 ORFS x M18 x 1.5 ORB

ASSY, Incl 17 (Qty1), 19, 22

1шт.

22

NSS

NOT SOLD SEPARAT

Connector, Incl in 21

1шт.

23

86579679

HYD CONNECTOR,1"-14 ORFS x M18 x 1.5 ORB

ASSY, Incl 4, 17 (Qty1), 18

1шт.

24

86579673

HYD CONNECTOR,11/16" - 16 ORFS x M18 x 1.5 ORB

ASSY, Incl 5, 17 (Qty1), 20

1шт.

Выбрано товаров: 24