Запчасти Case IH FARMALL 115U (31.000.00) - SECTION INDEX - IMPLEMENT POWER TAKE-OFF (31) - IMPLEMENT POWER TAKE OFF

Схема запчастей Case IH FARMALL 115U - (31.000.00) - SECTION INDEX - IMPLEMENT POWER TAKE-OFF (31) - IMPLEMENT POWER TAKE OFF
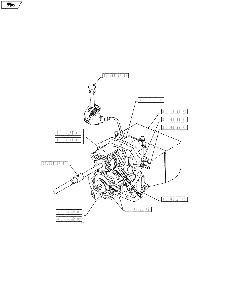
31.104.an 01
31.114.ah 01
31.114.af 01
home
31.114.ap 01
31.114.ai 01
31.104.aa 01
31.114.ai 02
31.104.bh 01
31.114.ap 02
31.104.ay 01
31.114.ah 02
31.104.ay 02
FIT
1:1
100%