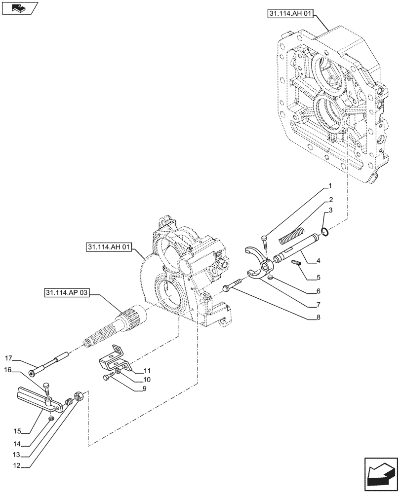
Запчасти Case IH FARMALL 115U (31.104.AA[04]) - STD + VAR - 391727 - PTO 540/1000 RPM, ROD & FORKS, NA (31) - IMPLEMENT POWER TAKE OFF

Схема запчастей Case IH FARMALL 115U - (31.104.AA[04]) - STD + VAR - 391727 - PTO 540/1000 RPM, ROD & FORKS, NA (31) - IMPLEMENT POWER TAKE OFF
31.114.ap 03
home
2
7
6
11
8
12
4
14
10
1
16
15
5
13
9
3
17
31.114.ah 01
31.114.ah 01
FIT
1:1
100%

Артикул

Название

Примечание

Количество

1

5171334

PIN,5.99mm OD x 42mm L

1шт.

2

5171335

SPRING

1шт.

3

14457080

O-RING,0.103" Thk x 0.487" ID, -112, Cl 5, 75 Duro

1шт.

4

47525503

ROD

1шт.

5

13798621

SET SCREW,Hex Skt, M8 x 12mm, Cone Pt

1шт.

6

86507012

SNAP RING,M6, Ext

1шт.

7

5171265

SHIFTER FORK

1шт.

8

5171262

PIN,8mm OD x 72mm L

1шт.

9

14433124

SCREW,M6 x 18mm, Cl 8.8

2шт.

10

10516474

LOCK WASHER

2шт.

11

5179750

SUPPORT

1шт.

12

16103614

THIN NUT,Thin, M12, 1.25 Pitch, Cl 04

1шт.

13

5171363

PIN

1шт.

14

11065976

CIRCLIP,M10, Ext

1шт.

15

5171261

LEVER

1шт.

16

5179749

PIN,9.6mm OD x 43.5mm L

1шт.

17

5171267

PIN,10mm OD x 198.5mm L

1шт.

Выбрано товаров: 17