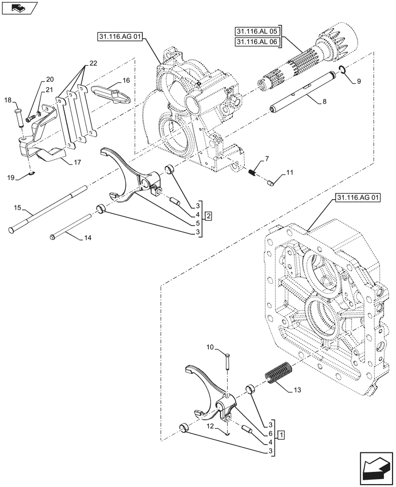
Запчасти Case IH FARMALL 115U (31.104.AA[06]) - VAR - 331729 - PTO 540/540E/1000 RPM, ROD & FORKS, NA (31) - IMPLEMENT POWER TAKE OFF

Схема запчастей Case IH FARMALL 115U - (31.104.AA[06]) - VAR - 331729 - PTO 540/540E/1000 RPM, ROD & FORKS, NA (31) - IMPLEMENT POWER TAKE OFF
31.116.al 05
22
2
1
13
18
11
3
7
20
3
15
home
8
10
17
9
12
19
4
21
3
3
5
6
14
16
4
31.116.al 06
31.116.ag 01
31.116.ag 01
FIT
1:1
100%

Артикул

Название

Примечание

Количество

1

47398464

YOKE

ASSY, Incl 3 (Qty 2), 4 (Qty 1), 6

1шт.

2

84496489

YOKE

ASSY, Incl 3 (Qty 2), 4 (Qty 1), 5

1шт.

3

84496649

BUSHING,18mm ID x 20.035mm OD x 10.0mm L

4шт.

4

5154545

PIN,10mm OD x 25mm L

2шт.

5

84496486

YOKE

1шт.

6

47398463

YOKE

1шт.

7

5128251

SPRING,Compression, 8.5mm OD x 20mm L

1шт.

8

47398456

ROD

1шт.

9

14457080

O-RING,0.103" Thk x 0.487" ID, -112, Cl 5, 75 Duro

1шт.

10

5171334

PIN,5.99mm OD x 42mm L

1шт.

11

5150839

PAWL,8.5mm OD x 15.4mm L

1шт.

12

11065476

SNAP RING,M6, Ext

1шт.

13

5171335

SPRING

1шт.

14

47398462

HEADED PIN

1шт.

15

47495990

PIN,10mm OD x 251.5mm L

Speed Control

1шт.

16

47554364

CONTROL LEVER

1шт.

17

47398465

SUPPORT

1шт.

18

5179749

PIN,9.6mm OD x 43.5mm L

1шт.

19

11065976

CIRCLIP,M10, Ext

1шт.

20

14433124

SCREW,M6 x 18mm, Cl 8.8

2шт.

21

10516474

LOCK WASHER

2шт.

22

47521296

SHIM

0.5mm Thk

1шт.

22

47555285

SHIM

0.3mm Thk

1шт.

22

47521298

SHIM

1mm Thk

1шт.

Выбрано товаров: 24