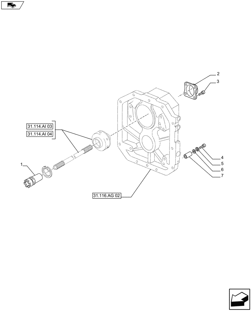
Запчасти Case IH FARMALL 115U (31.104.BA[02]) - VAR - 331819 - PTO 540/540E/1000 RPM, SHROUD, W/ GROUND SPEED, ISO (31) - IMPLEMENT POWER TAKE OFF

Схема запчастей Case IH FARMALL 115U - (31.104.BA[02]) - VAR - 331819 - PTO 540/540E/1000 RPM, SHROUD, W/ GROUND SPEED, ISO (31) - IMPLEMENT POWER TAKE OFF
31.116.ag 02
1
3
2
5
7
home
4
6
31.114.ai 03
31.114.ai 04
FIT
1:1
100%

Артикул

Название

Примечание

Количество

1

5176745

COUPLING

1шт.

2

5155332

SEAL PROTECTION,115mm ID x 122mm OD x 29mm Thk

1шт.

3

11391524

SCREW,Hex, M16 x 1.5 x 45mm, Cl 8.8, Full Thd

4шт.

4

14306524

HEX SOC SCREW,M8 x 1.25 x 30mm, Cl 8.8, Full Thd

4шт.

5

10569374

LOCK WASHER,M8

4шт.

6

10730324

WASHER,8.15mm ID x 17mm OD x 2mm Thk

4шт.

7

5166305

SPACER

2шт.

Выбрано товаров: 7