Запчасти Case IH FARMALL 115U (33.202.BN[02]) - VAR - 339606 - BRAKE PACKAGE, PEDAL, ISO - END YR 02-MAY-2014 (33) - BRAKES & CONTROLS

Схема запчастей Case IH FARMALL 115U - (33.202.BN[02]) - VAR - 339606 - BRAKE PACKAGE, PEDAL, ISO - END YR 02-MAY-2014 (33) - BRAKES & CONTROLS
home
9
3
16
14
15
10
12
5
3
13
1
6
14
16
8
11
2
11
3
3
4
15
7
12
13
FIT
1:1
100%

Артикул

Название

Примечание

Количество

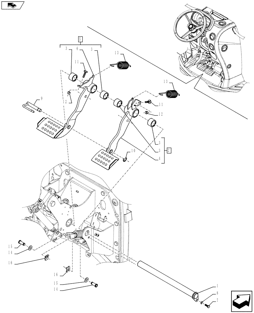
1

84218395

PIN,25mm OD x 348.5mm L

1шт.

2

84467902

PEDAL

RH, ASSY, Incl 3 (Qty 2), 4

1шт.

3

5097550

BUSHING,25.4mm ID x 38mm OD x 22mm L

4шт.

4

NSS

NOT SOLD SEPARAT

Pedal, Incl in 2

1шт.

5

84467901

PEDAL

LH, ASSY, Incl 3 (Qty 2), 6

1шт.

6

NSS

NOT SOLD SEPARAT

Pedal, Incl in 5

1шт.

7

10902321

SCREW,Hex, M6 x 18mm, Cl 8.8, Full Thd

1шт.

8

12601274

WAVE WASHER,6.40mm ID x 12mm OD x 0.50mm, 2.60mm H, STL, DAC

1шт.

9

84392817

PIN,12mm OD x 80mm L

1шт.

10

11088180

CIRCLIP,M11, Stainless

1шт.

11

84280664

SCREW,M6 x 26mm L

2шт.

12

12574211

NUT,M6 x 1, Cl 8

2шт.

13

84537406

SPRING,Extension, 32mm OD x 124mm L

2шт.

14

84474043

PIN,8mm OD x 30mm L

2шт.

15

12601474

WAVE WASHER,Wave, 10.50mm ID x 21.00mm OD x 0.80mm, 3.00mm, CST, DAC

2шт.

16

11064176

CLIP,M10 x 8mm

2шт.

Выбрано товаров: 16