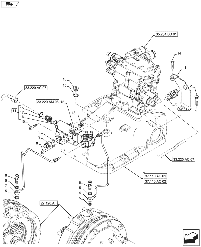
Запчасти Case IH FARMALL 115U (33.220.AC[06]) - VAR - 743517 - TRAILER BRAKE VALVE, ISO (33) - BRAKES & CONTROLS

Схема запчастей Case IH FARMALL 115U - (33.220.AC[06]) - VAR - 743517 - TRAILER BRAKE VALVE, ISO (33) - BRAKES & CONTROLS
27.120.ai
12
8
2
13
14
11
5
7
5
17
5
6
15
16
home
home
6
3
5
16
15
10
9
1
4
5
33.220.am 06
33.220.ac 07
33.220.ac 07
35.204.bb 01
37.110.ac 02
37.110.ac 01
FIT
1:1
100%

Артикул

Название

Примечание

Количество

1

84405822

BRACKET

Rear

1шт.

2

15540821

SCREW,Hex, M12 x 1.25 x 50mm, Cl 8.8

1шт.

3

5144514

HYDRAULIC VALVE

Braking Union

1шт.

4

84533386

PIPE

Trailer Brake Valve port X1 to LH Brake

1шт.

5

5183780

SEALING WASHER,9.73mm ID x 18mm OD x 1.5mm Thk

5шт.

6

5113983

BANJO BOLT

2шт.

7

84533401

PIPE

Trailer Brake Valve port X2 to RH Brake

1шт.

8

14359421

HEX SOC SCREW,M8 x 75mm, Cl 8.8

2шт.

9

87494632

PRESSURE SWITCH,M12 x 1.5

1шт.

10

14306624

HEX SOC SCREW,M8 x 1.25 x 35mm, Cl 8.8, Full Thd

1шт.

11

5185561

HYD CONNECTOR,Straight, M18 x 1.5 UN/UNF, 13/16"-16" ORFS

ASSY, Incl 15 - 17

1шт.

12

5192069

BRAKE VALVE

ASSY

1шт.

13

47131575

VALVE PRESSURE RELIE

Relief Valve

1шт.

14

11234724

BOLT,Hex, M10 x 1.25 x 45, 8.8

1шт.

15

5185511

O-RING,1.78mm Thk x 12.42mm ID, 85 Duro

1шт.

16

14437985

O-RING,15.3mm ID x 2.4mm

1шт.

17

NSS

NOT SOLD SEPARAT

Connector, Incl in 11

1шт.

Выбрано товаров: 17