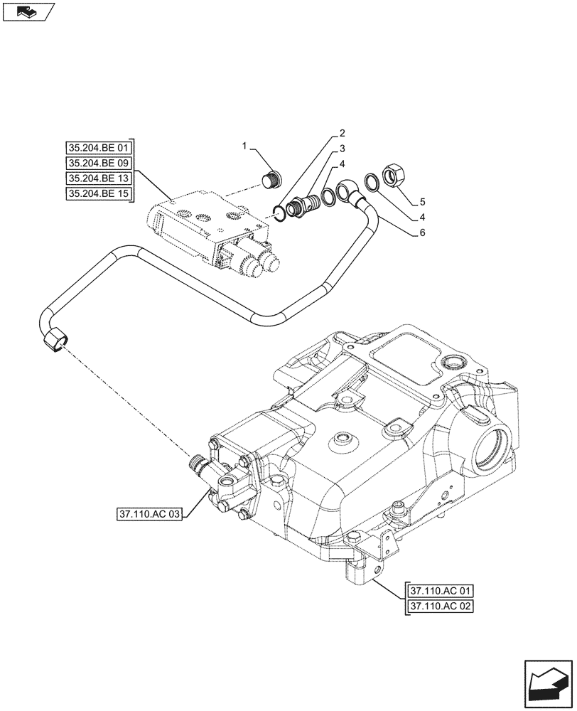
Запчасти Case IH FARMALL 115U (35.100.AR) - VAR - 330849, 331844, 332844, 338844 - REMOTE CONTROL VALVE, REAR, LINE (35) - HYDRAULIC SYSTEMS

Схема запчастей Case IH FARMALL 115U - (35.100.AR) - VAR - 330849, 331844, 332844, 338844 - REMOTE CONTROL VALVE, REAR, LINE (35) - HYDRAULIC SYSTEMS
37.110.ac 03
4
5
3
1
4
6
2
home
35.204.be 09
37.110.ac 02
35.204.be 15
37.110.ac 01
35.204.be 13
35.204.be 01
FIT
1:1
100%

Артикул

Название

Примечание

Количество

1

86598047

PLUG,Hex Soc, M22 x 1.5, ORB

1шт.

2

14438085

O-RING,19.3mm ID x 2.4mm

2шт.

3

47133105

BANJO BOLT,M22 x 1.50 x 58mm, R50

1шт.

4

5165897

SEALING WASHER,22.7mm ID x 30mm OD x 2mm Thk

1шт.

5

47133106

PLUG,Hex, M22 x 1.5 x 13mm L

1шт.

6

84534203

TUBE

Delivery for EDC

1шт.

Выбрано товаров: 6