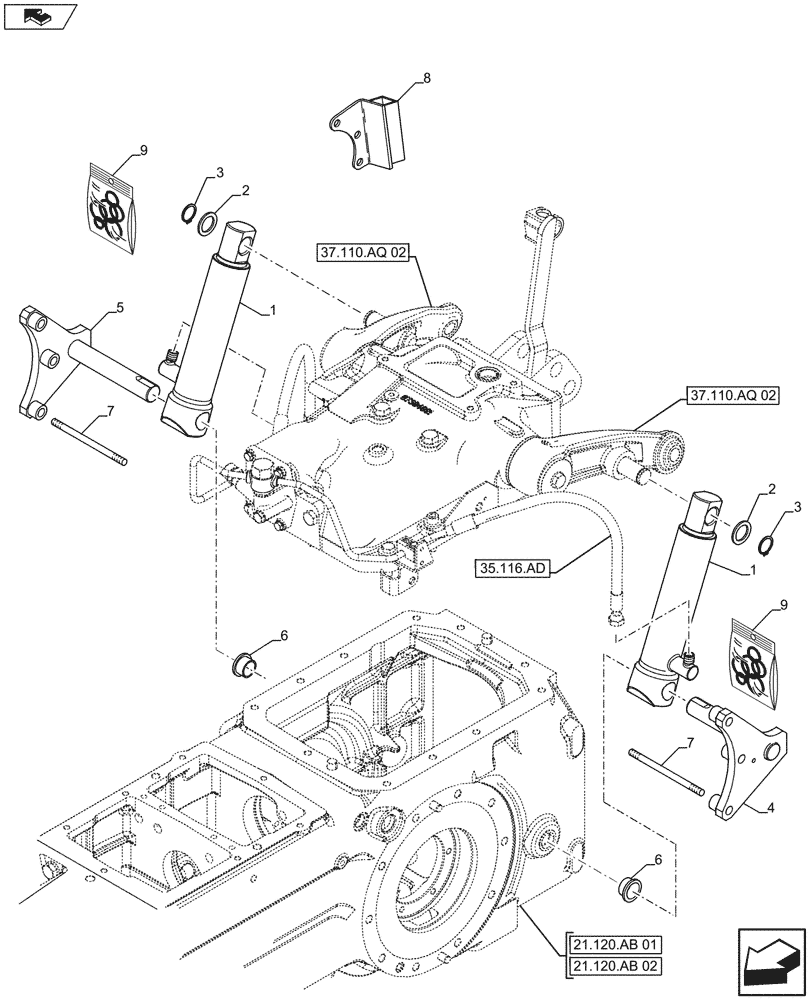
Запчасти Case IH FARMALL 115U (35.116.AH[01]) - VAR - 743597 - LIFT CYLINDER, LIFT CYLINDER, ISO (35) - HYDRAULIC SYSTEMS

Схема запчастей Case IH FARMALL 115U - (35.116.AH[01]) - VAR - 743597 - LIFT CYLINDER, LIFT CYLINDER, ISO (35) - HYDRAULIC SYSTEMS
35.116.ad
4
6
7
home
8
3
7
5
9
9
6
1
3
2
2
1
37.110.aq 02
37.110.aq 02
21.120.ab 01
21.120.ab 02
FIT
1:1
100%

Артикул

Название

Примечание

Количество

1

5171357

HYDRAULIC CYLINDER

Lift Cylinder

2шт.

2

44018747

WASHER,28mm ID x 40mm OD x 3mm Thk

2шт.

3

11067676

SNAP RING,M28, Ext

2шт.

4

5180166

SUPPORT

LH

1шт.

5

5182277

SUPPORT

RH

1шт.

6

5160960

PLUG,30mm

2шт.

7

5171503

STUD

6шт.

8

5177188

BRACKET

1шт.

9

47134497

SEAL KIT

Ognibene Lift Cylinder

2шт.

9

9968844

SEAL

Sima Lift Cylinder

2шт.

9

79065560

SEAL,50mm ID x 65mm OD x 10mm Thk

Gea Lift Cylinder

2шт.

Выбрано товаров: 11