Запчасти Case IH FARMALL 115U (35.162.AB[02]) - VAR - 331789, 332789 - 3 POINT HITCH, FRONT, HYDRAULIC SYSTEM, S/A (35) - HYDRAULIC SYSTEMS

Схема запчастей Case IH FARMALL 115U - (35.162.AB[02]) - VAR - 331789, 332789 - 3 POINT HITCH, FRONT, HYDRAULIC SYSTEM, S/A (35) - HYDRAULIC SYSTEMS
home
3
10
4
8
6
9
5
7
11
2
1
7
35.204.bb 01
21.120.ab
10.001.ad
35.204.bb 02
FIT
1:1
100%

Артикул

Название

Примечание

Количество

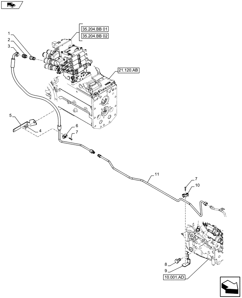
1

83972881

COUPLING

1шт.

2

5185524

HYD CONNECTOR

1шт.

3

47401250

HYD TUBE

Delivery FHPL Raise

1шт.

4

11305124

BOLT,Hex, M12 x 1.5 x 30, 8.8, Full Thd

1шт.

5

84536227

BRACKET

1шт.

6

87532290

BRACKET

1шт.

7

10902821

SCREW,Hex, M6 x 30mm, Cl 8.8

2шт.

8

15987721

BOLT,Hex, M20 x 1.5 x 35mm, Cl 8.8, Full Thd

1шт.

9

84536226

BRACKET

1шт.

10

84528172

BRACKET

1шт.

11

47404266

PIPE

FHPL Raise

1шт.

Выбрано товаров: 11