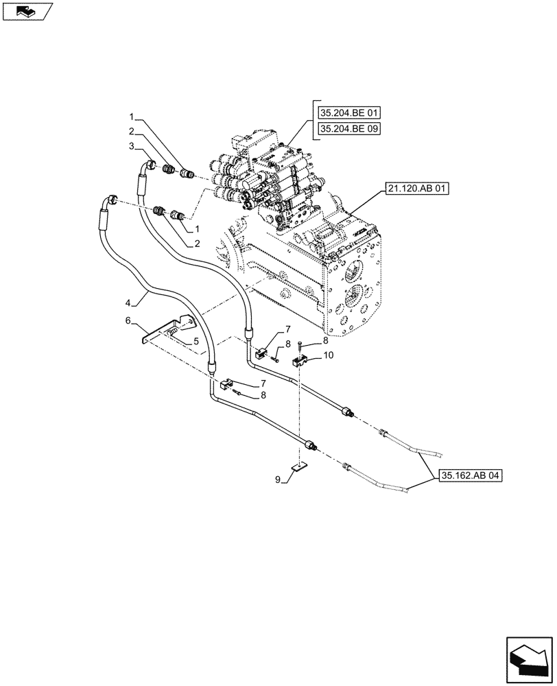
Запчасти Case IH FARMALL 115U (35.162.AB[03]) - VAR - 330620 - 3 POINT HITCH, FRONT, HYDRAULIC SYSTEM, D/A (35) - HYDRAULIC SYSTEMS

Схема запчастей Case IH FARMALL 115U - (35.162.AB[03]) - VAR - 330620 - 3 POINT HITCH, FRONT, HYDRAULIC SYSTEM, D/A (35) - HYDRAULIC SYSTEMS
35.162.ab 04
home
4
6
1
7
2
9
8
3
8
7
1
5
8
2
10
35.204.be 09
21.120.ab 01
35.204.be 01
FIT
1:1
100%

Артикул

Название

Примечание

Количество

1

83972881

COUPLING

2шт.

2

5185524

HYD CONNECTOR

2шт.

3

47401250

HYD TUBE

Delivery FHPL Raise

1шт.

4

47401287

HYD TUBE

Delivery FHPL

1шт.

5

11305124

BOLT,Hex, M12 x 1.5 x 30, 8.8, Full Thd

1шт.

6

84536227

BRACKET

1шт.

7

87532290

BRACKET

2шт.

8

10902821

SCREW,Hex, M6 x 30mm, Cl 8.8

3шт.

9

84534676

BRACKET

1шт.

10

84528172

BRACKET

1шт.

Выбрано товаров: 10