Запчасти Case IH FARMALL 115U (35.204.BJ[01]) - STD + VAR - 743911 - DELIVERY PIPE, STEERING LINE (35) - HYDRAULIC SYSTEMS

Схема запчастей Case IH FARMALL 115U - (35.204.BJ[01]) - STD + VAR - 743911 - DELIVERY PIPE, STEERING LINE (35) - HYDRAULIC SYSTEMS
35.220.ag 02
9
5
19
9
3
15
2
2
5
17
16
12
1
13
6
3
18
10
8
8
6
22
14
2
4
19
20
21
11
home
7
23
35.204.be 09
35.104.aa 01
35.204.be 15
35.220.ag 01
35.204.be 13
35.204.be 01
35.204.ay
FIT
1:1
100%

Артикул

Название

Примечание

Количество

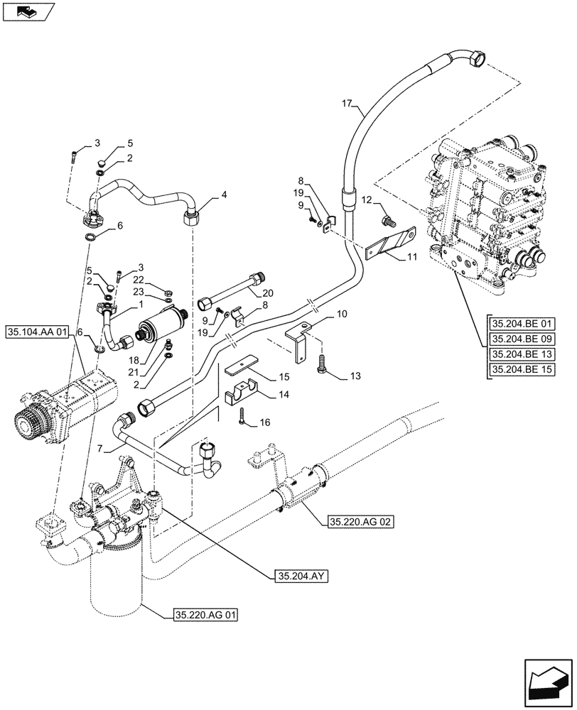
1

84564122

HYDRAULIC HOSE

Delivery Steering

1шт.

2

5183780

SEALING WASHER,9.73mm ID x 18mm OD x 1.5mm Thk

3шт.

3

14305521

HEX SOC SCREW,M6 x 30mm, Cl 8.8, Full Thd

4шт.

4

84411903

HYDRAULIC HOSE

From Pump to Oil Filter

1шт.

5

10300511

PLUG,M12 x 1.5 x 12, Cl5.8

2шт.

6

87335172

SEALING RING,19mm ID x 26mm OD x 3mm Thk

2шт.

7

84411904

HYDRAULIC HOSE

1шт.

8

5156414

CLAMP,20mm ID, 6.5mm Bolt Hole, J Type

2шт.

9

10902280

BOLT,Hex, M6 x 16mm

2шт.

10

84484759

BRACKET

1шт.

11

84482852

BRACKET

1шт.

12

18700721

BOLT,Hex, M10 x 1.25 x 20mm, Cl 8.8, Full Thd

1шт.

13

15970921

SCREW,Hex, M10 x 1.25 x 35mm, Cl 8.8, Full Thd

1шт.

14

84482869

HOSE CLIP

1шт.

15

84555158

BRACKET

1шт.

16

10903021

SCREW,Hex, M6 x 35mm, Cl 8.8

1шт.

17

84528368

HYD TUBE

Control Valve to Oil Filter

1шт.

18

84606407

HYDRAULIC OIL FILTER

Resounding

1шт.

19

12647621

WASHER,6.15mm ID x 16mm OD x 2mm Thk

2шт.

20

47365986

PIPE

Delivery for Steering

1шт.

21

84564689

SCREW,M10 x 1, M12 x 1.5 x 29mm L

1шт.

22

11691321

NUT,Thin, M10 x 1, Cl 05

1шт.

23

12648301

WASHER,10.2mm ID x 17mm OD x 1.5mm Thk

1шт.

Выбрано товаров: 23