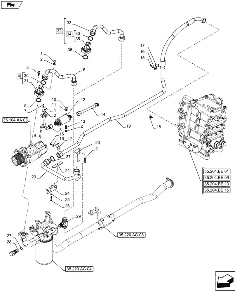
Запчасти Case IH FARMALL 115U (35.204.BJ[02]) - VAR - 331690 - DELIVERY PIPE, STEERING LINE (35) - HYDRAULIC SYSTEMS

Схема запчастей Case IH FARMALL 115U - (35.204.BJ[02]) - VAR - 331690 - DELIVERY PIPE, STEERING LINE (35) - HYDRAULIC SYSTEMS
home
17
12
34
3
19
13
16
11
8
17
21
15
9
24
26
6
22
2
30
4
29
2
5
1
27
23
2
10
15
16
20
1
7
35
37
18
30
32
33
14
25
28
36
31
35.104.aa 03
35.204.be 13
35.204.be 15
35.204.be 09
35.204.be 01
35.220.ag 03
35.220.ag 04
FIT
1:1
100%

Артикул

Название

Примечание

Количество

1

10300511

PLUG,M12 x 1.5 x 12, Cl5.8

2шт.

2

5183780

SEALING WASHER,9.73mm ID x 18mm OD x 1.5mm Thk

3шт.

3

14306621

HEX SOC SCREW,M8 x 35mm, Cl 8.8, Full Thd

3шт.

4

84420692

HYD CONNECTOR

ASSY, Incl 30, 31, Years: -23-JUN-13

1шт.

5

14458380

O-RING,0.103" Thk x 1.299" ID, -125, Cl 5, 75 Duro

, Years: -23-JUN-13

1шт.

6

84566973

PIPE

from Pump to Oil Filter, Years: -09-MAR-13

1шт.

6

47479615

HYD TUBE

, Years: 10-MAR-13-23-JUN-13

1шт.

7

14305521

HEX SOC SCREW,M6 x 30mm, Cl 8.8, Full Thd

2шт.

8

84564122

HYDRAULIC HOSE

1шт.

9

87335172

SEALING RING,19mm ID x 26mm OD x 3mm Thk

Deliry, Steering

1шт.

10

11691321

NUT,Thin, M10 x 1, Cl 05

1шт.

11

12648301

WASHER,10.2mm ID x 17mm OD x 1.5mm Thk

1шт.

12

84606407

HYDRAULIC OIL FILTER

Resounding

1шт.

13

84564689

SCREW,M10 x 1, M12 x 1.5 x 29mm L

1шт.

14

47365986

PIPE

Delivery for Steering

1шт.

15

10902280

BOLT,Hex, M6 x 16mm

2шт.

16

12647621

WASHER,6.15mm ID x 16mm OD x 2mm Thk

2шт.

17

84585106

CLAMP,R12.5mm x 25mm W

2шт.

18

18700721

BOLT,Hex, M10 x 1.25 x 20mm, Cl 8.8, Full Thd

1шт.

19

84519506

PIPE

Delivery, Remotes

1шт.

20

84519534

BRACKET

1шт.

21

15970921

SCREW,Hex, M10 x 1.25 x 35mm, Cl 8.8, Full Thd

1шт.

22

84571895

BRACKET

1шт.

23

84566976

PIPE

from Filter to Remotes

1шт.

24

84571897

HOSE CLIP

1шт.

25

14498801

WASHER,6.4mm ID x 16.3mm OD x 1mm Thk

1шт.

26

10903221

SCREW,Hex, M6 x 40mm, Cl 8.8

1шт.

27

10263360

SEAL,20.3mm ID x 26mm OD x 1mm Thk

1шт.

28

47128782

VALVE PRESSURE RELIE

1шт.

29

84568335

HYD CONNECTOR,M27 x 2 x 84mm L

1шт.

30

87473574

O-RING,0.07" Thk x 0.926" ID, -21, Cl 6, 90 Duro

1шт.

31

NSS

NOT SOLD SEPARAT

HYD Connector, Incl in 4

1шт.

32

47510747

HYD CONNECTOR

ASSY, Incl 33, 34, Start Year: 24-JUN-13

1шт.

33

47508580

PIPE

1шт.

34

47505499

HYD CONNECTOR,M22 x 1.5/M27 x 3 x 54mm L

ASSY, Incl 30, 35

1шт.

35

NSS

NOT SOLD SEPARAT

HYD Connector, Incl in 34

1шт.

36

47505593

SEAL,Square, 2.62mm Thk x 34.59mm ID, 90 Duro

, Start Year: 24-JUN-13

1шт.

37

9824050

O-RING,0.07" Thk x 0.926" ID, -21, Cl 6, 90 Duro

1шт.

Выбрано товаров: 38