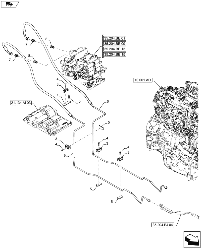
Запчасти Case IH FARMALL 115U (35.204.BJ[03A]) - VAR - 330625 - REMOTE CONTROL VALVE, COUPLING, FRONT, PIPE - BEGIN YR 05-APR-2013 (35) - HYDRAULIC SYSTEMS

Схема запчастей Case IH FARMALL 115U - (35.204.BJ[03A]) - VAR - 330625 - REMOTE CONTROL VALVE, COUPLING, FRONT, PIPE - BEGIN YR 05-APR-2013 (35) - HYDRAULIC SYSTEMS
35.204.be 01
8
5
9
5
4
4
7
3
3
3
6
7
3
home
2
4
1
8
4
5
35.204.be 09
35.204.be 15
35.204.bj 04
35.204.be 13
10.001.ad
21.134.ai 03
FIT
1:1
100%

Артикул

Название

Примечание

Количество

1

84536221

BRACKET

1шт.

2

15970924

SCREW,Hex, M10 x 1.25 x 35mm, Cl 8.8

1шт.

3

84528172

BRACKET

4шт.

4

10902821

SCREW,Hex, M6 x 30mm, Cl 8.8

4шт.

5

84534676

BRACKET

3шт.

6

47375698

HYDRAULIC HOSE

Front Couplers

1шт.

7

5185524

HYD CONNECTOR

2шт.

8

83972881

COUPLING

2шт.

9

47375661

HYDRAULIC HOSE

Front Couplers

1шт.

Выбрано товаров: 9