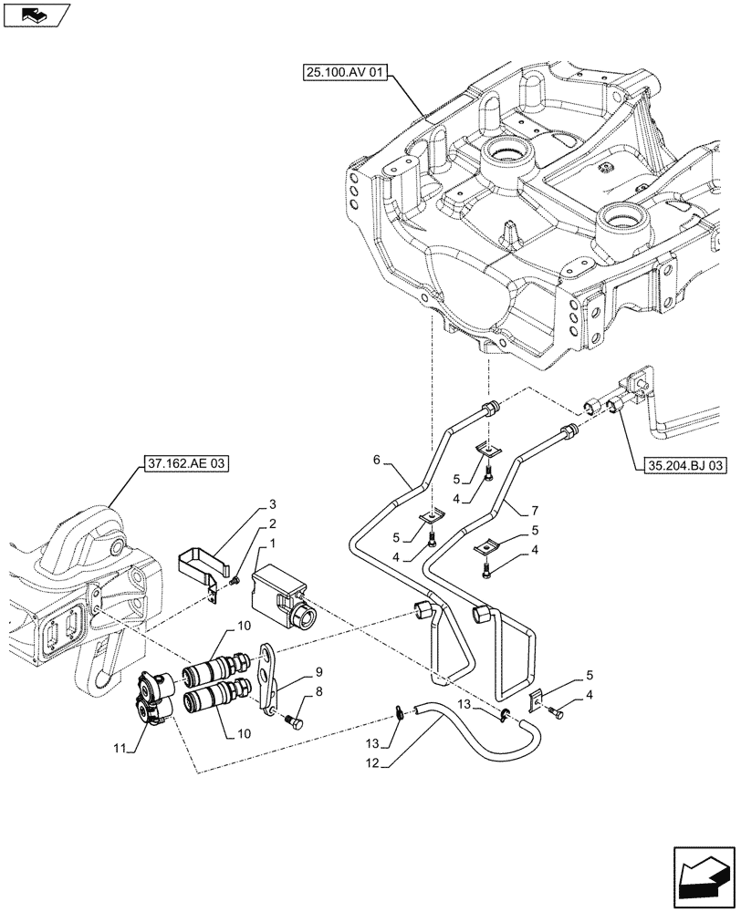
Запчасти Case IH FARMALL 115U (35.204.BJ[04]) - VAR - 330625 - REMOTE CONTROL VALVE, COUPLING, FRONT, PIPE (35) - HYDRAULIC SYSTEMS

Схема запчастей Case IH FARMALL 115U - (35.204.BJ[04]) - VAR - 330625 - REMOTE CONTROL VALVE, COUPLING, FRONT, PIPE (35) - HYDRAULIC SYSTEMS
25.100.av 01
7
10
5
4
6
2
home
8
11
1
4
5
12
4
4
9
5
5
10
3
13
13
37.162.ae 03
35.204.bj 03
FIT
1:1
100%

Артикул

Название

Примечание

Количество

1

84527523

BOTTLE

1шт.

2

378056

BOLT,Hex, M6 x 10mm, Cl 8.8

2шт.

3

84527555

BRACKET

1шт.

4

16043680

BOLT,Hex, M8 x 1.25 x 25mm, Full Thd

4шт.

5

84519154

HOSE CLAMP

4шт.

6

84408448

HYD TUBE

1шт.

7

84408446

HYD TUBE

1шт.

8

300388

BOLT,Hex, M12 x 1.75 x 25mm, Cl 8.8

2шт.

9

84413198

BRACKET

1шт.

10

84413196

COUPLING, QUICK, FEM

2шт.

11

84413195

DUST CAP,52.3mm H x 120mm L

1шт.

12

19308780

FLEXIBLE HOSE

1шт.

13

13423371

HOSE CLAMP,13.6mm - 15.1mm

2шт.

Выбрано товаров: 13