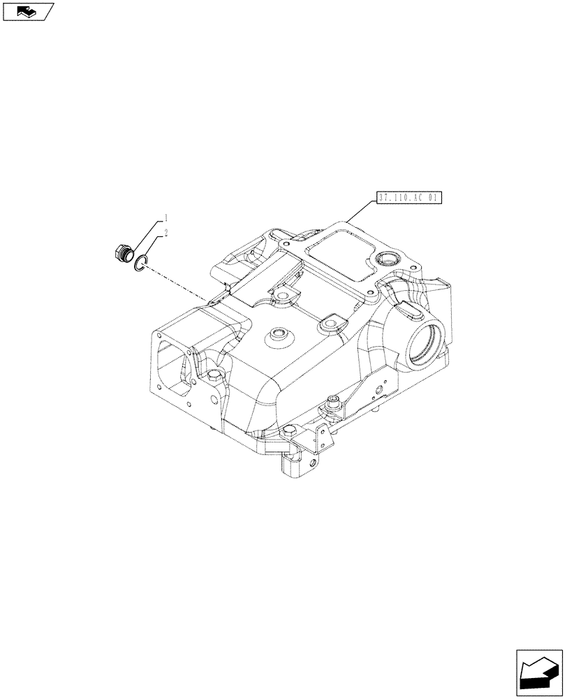
Запчасти Case IH FARMALL 115U (35.204.BS[01]) - STD + VAR - 743915 - HYDRAULIC LIFT, COVER, PLUG, W/O MID MOUNT VALVES (35) - HYDRAULIC SYSTEMS

Схема запчастей Case IH FARMALL 115U - (35.204.BS[01]) - STD + VAR - 743915 - HYDRAULIC LIFT, COVER, PLUG, W/O MID MOUNT VALVES (35) - HYDRAULIC SYSTEMS
home
2
1
37.110.ac 01
FIT
1:1
100%

Артикул

Название

Примечание

Количество

1

10305111

PLUG,M22 x 1.5 x 21, Cl5.8

1шт.

2

10263460

SEAL,22.3mm ID x 28mm OD x 1.5mm Thk

1шт.

Выбрано товаров: 2